lemon-mirror:
Home >> Toyota >> 2013 >> Matrix Base, Automatic Trans >> Repair and Diagnosis >> Electrical >> Body Electrical >> OEM System Circuits >> Sliding Roof >> Notes

Sliding Roof: Notes

Fig 1: Sliding Roof Wiring Diagram (1 Of 4)
G09105944Courtesy of © TOYOTA, LICENSE AGREEMENT TMS1002
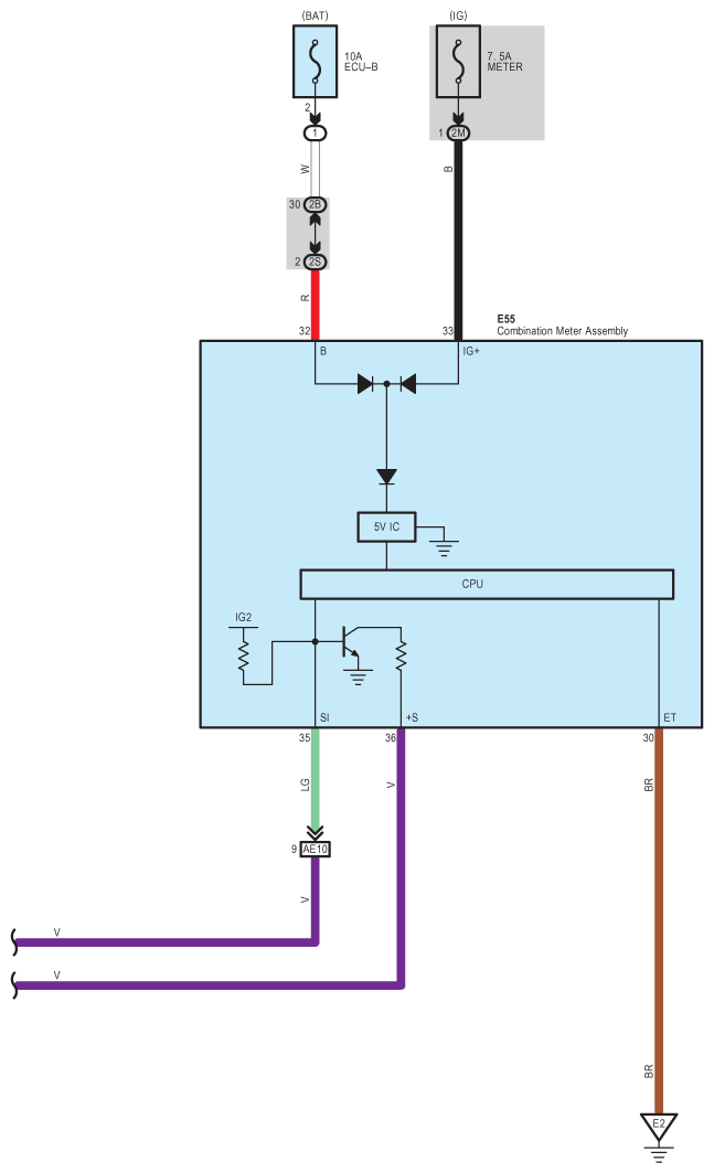
Fig 2: Sliding Roof Wiring Diagram (2 Of 4)
G09105945Courtesy of © TOYOTA, LICENSE AGREEMENT TMS1002
Fig 3: Sliding Roof Wiring Diagram (3 Of 4)
G09105946Courtesy of © TOYOTA, LICENSE AGREEMENT TMS1002
Fig 4: Sliding Roof Wiring Diagram (4 Of 4)
G09105947Courtesy of © TOYOTA, LICENSE AGREEMENT TMS1002