lemon-mirror:
Home >> Toyota >> 2013 >> Prius C >> Repair and Diagnosis >> Electrical >> Body Electrical >> OEM System Circuits >> Audio System and Navigation System >> Notes

Audio System and Navigation System: Notes

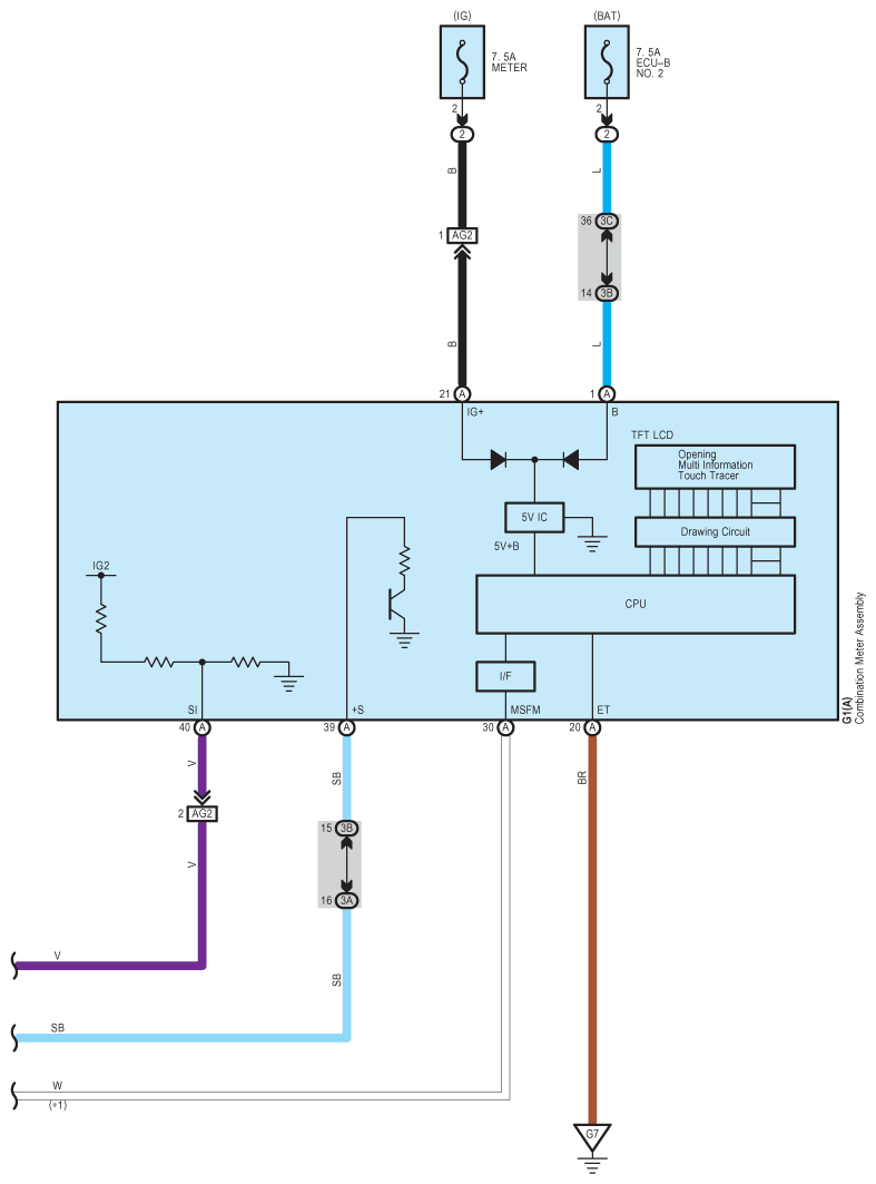
Fig 1: Audio And Navigation System Wiring Diagram (1 Of 10)
G09101171Courtesy of © TOYOTA, LICENSE AGREEMENT TMS1002
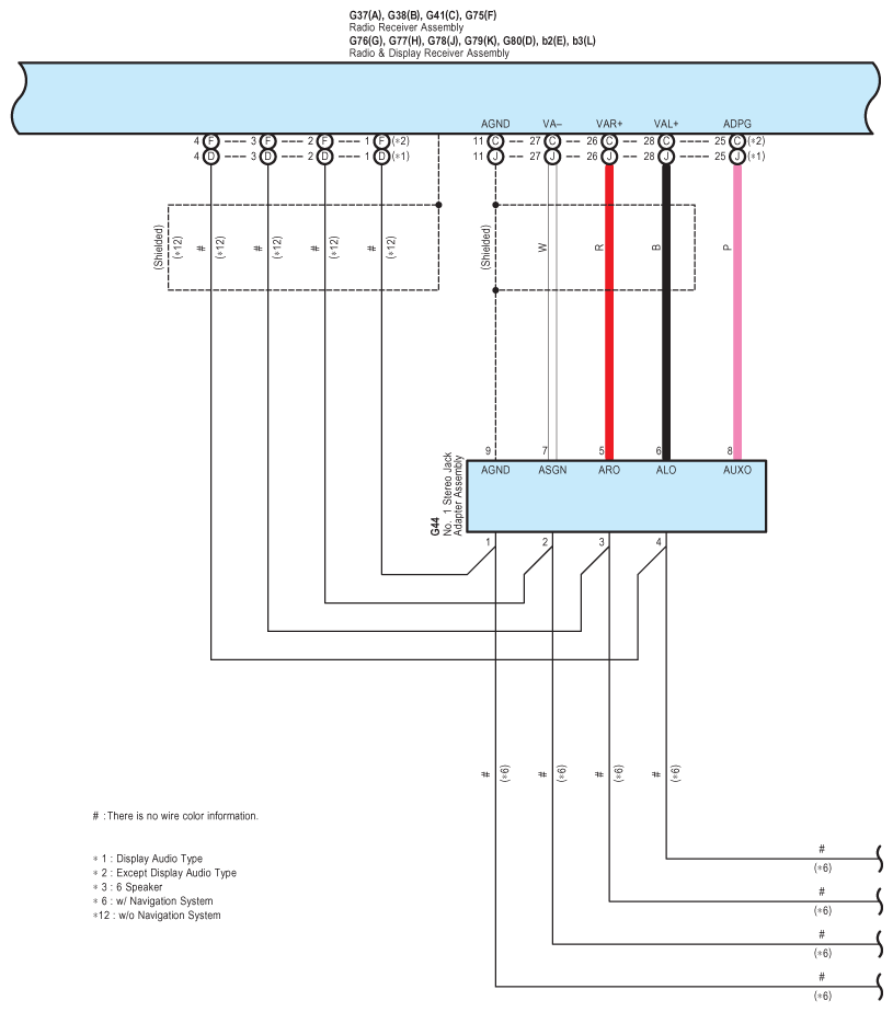
Fig 2: Audio And Navigation System Wiring Diagram (2 Of 10)
G09101172Courtesy of © TOYOTA, LICENSE AGREEMENT TMS1002
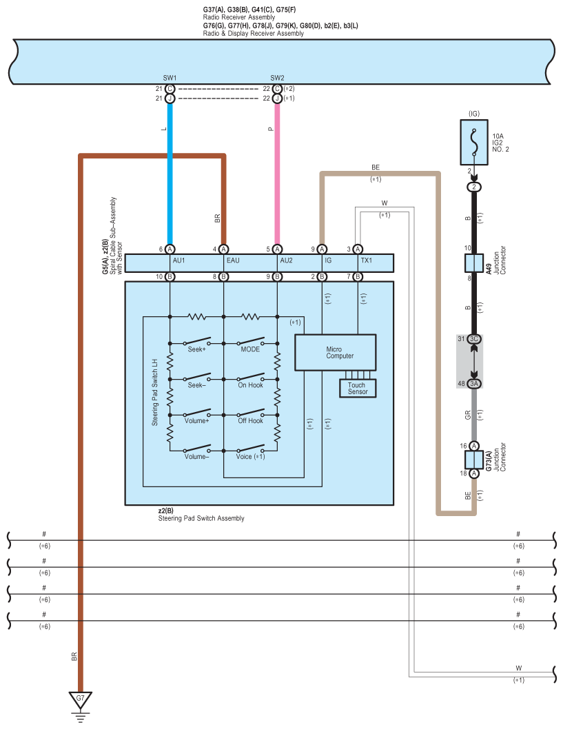
Fig 3: Audio And Navigation System Wiring Diagram (3 Of 10)
G09101173Courtesy of © TOYOTA, LICENSE AGREEMENT TMS1002
Fig 4: Audio And Navigation System Wiring Diagram (4 Of 10)
G09101174Courtesy of © TOYOTA, LICENSE AGREEMENT TMS1002
Fig 5: Audio And Navigation System Wiring Diagram (5 Of 10)
G09101175Courtesy of © TOYOTA, LICENSE AGREEMENT TMS1002
Fig 6: Audio And Navigation System Wiring Diagram (6 Of 10)
G09101176Courtesy of © TOYOTA, LICENSE AGREEMENT TMS1002
Fig 7: Audio And Navigation System Wiring Diagram (7 Of 10)
G09101177Courtesy of © TOYOTA, LICENSE AGREEMENT TMS1002
Fig 8: Audio And Navigation System Wiring Diagram (8 Of 10)
G09101178Courtesy of © TOYOTA, LICENSE AGREEMENT TMS1002
Fig 9: Audio And Navigation System Wiring Diagram (9 Of 10)
G09101179Courtesy of © TOYOTA, LICENSE AGREEMENT TMS1002
Fig 10: Audio And Navigation System Wiring Diagram (10 Of 10)
G09101180Courtesy of © TOYOTA, LICENSE AGREEMENT TMS1002