lemon-mirror:
Home >> Toyota >> 2013 >> Prius C >> Repair and Diagnosis >> Electrical >> Body Electrical >> OEM System Circuits >> Combination Meter >> Notes

Combination Meter: Notes

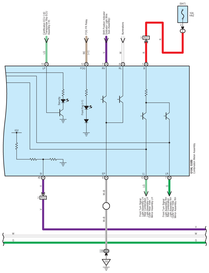
Fig 1: Combination Meter Wiring Diagram (1 Of 10)
G09101181Courtesy of © TOYOTA, LICENSE AGREEMENT TMS1002
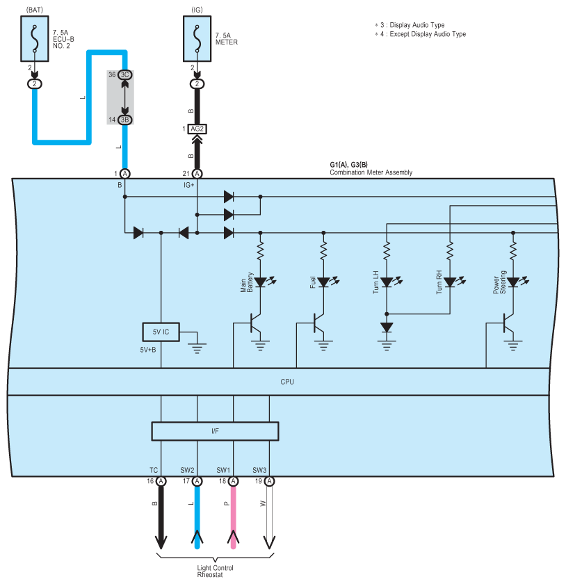
Fig 2: Combination Meter Wiring Diagram (2 Of 10)
G09101182Courtesy of © TOYOTA, LICENSE AGREEMENT TMS1002
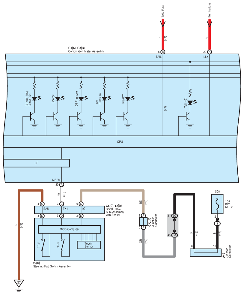
Fig 3: Combination Meter Wiring Diagram (3 Of 10)
G09101183Courtesy of © TOYOTA, LICENSE AGREEMENT TMS1002
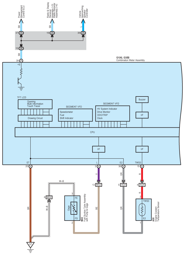
Fig 4: Combination Meter Wiring Diagram (4 Of 10)
G09101184Courtesy of © TOYOTA, LICENSE AGREEMENT TMS1002
Fig 5: Combination Meter Wiring Diagram (5 Of 10)
G09101185Courtesy of © TOYOTA, LICENSE AGREEMENT TMS1002
Fig 6: Combination Meter Wiring Diagram (6 Of 10)
G09101186Courtesy of © TOYOTA, LICENSE AGREEMENT TMS1002
Fig 7: Combination Meter Wiring Diagram (7 Of 10)
G09101187Courtesy of © TOYOTA, LICENSE AGREEMENT TMS1002
Fig 8: Combination Meter Wiring Diagram (8 Of 10)
G09101188Courtesy of © TOYOTA, LICENSE AGREEMENT TMS1002
Fig 9: Combination Meter Wiring Diagram (9 Of 10)
G09101189Courtesy of © TOYOTA, LICENSE AGREEMENT TMS1002
Fig 10: Combination Meter Wiring Diagram (10 Of 10)
G09101190Courtesy of © TOYOTA, LICENSE AGREEMENT TMS1002