lemon-mirror:
Home >> Toyota >> 2013 >> Prius C >> Repair and Diagnosis >> Electrical >> Body Electrical >> OEM System Circuits >> Cooling Fan >> Notes

Cooling Fan: Notes

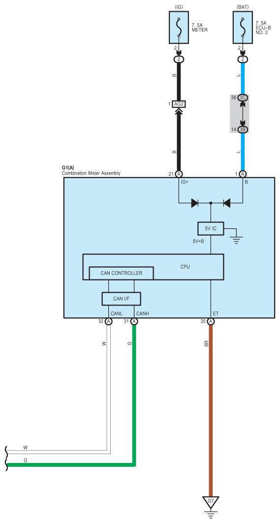
Fig 1: Cooling Fan Wiring Diagram (1 Of 4)
G09101191Courtesy of © TOYOTA, LICENSE AGREEMENT TMS1002
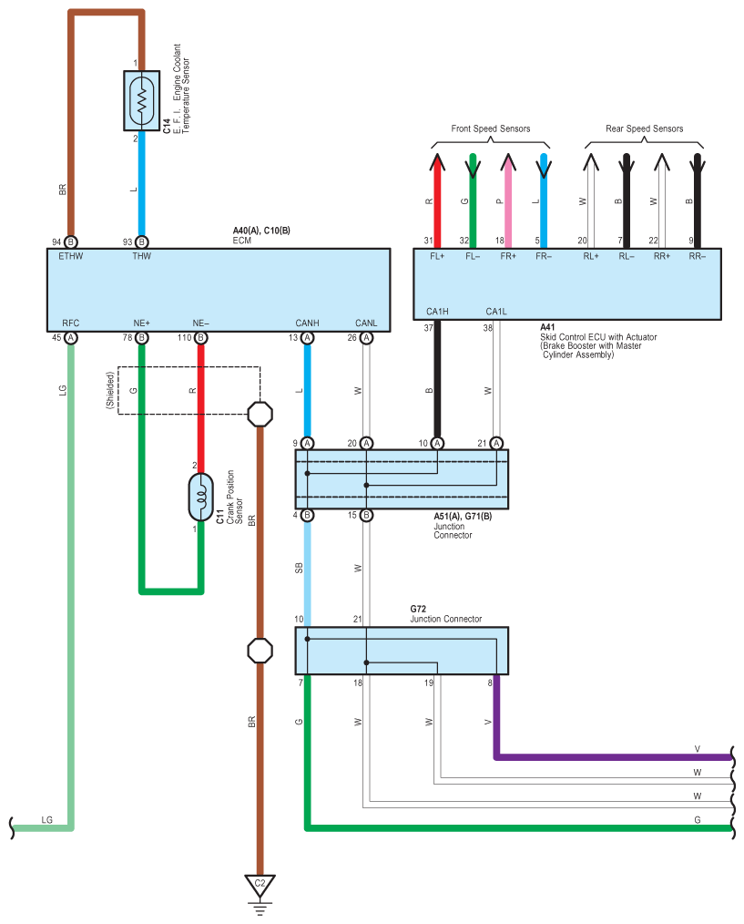
Fig 2: Cooling Fan Wiring Diagram (2 Of 4)
G09101192Courtesy of © TOYOTA, LICENSE AGREEMENT TMS1002
Fig 3: Cooling Fan Wiring Diagram (3 Of 4)
G09101193Courtesy of © TOYOTA, LICENSE AGREEMENT TMS1002
Fig 4: Cooling Fan Wiring Diagram (4 Of 4)
G09101194Courtesy of © TOYOTA, LICENSE AGREEMENT TMS1002