lemon-mirror:
Home >> Toyota >> 2013 >> Prius C >> Repair and Diagnosis >> Electrical >> Body Electrical >> OEM System Circuits >> Cruise Control and Engine Control >> Notes

Cruise Control and Engine Control: Notes

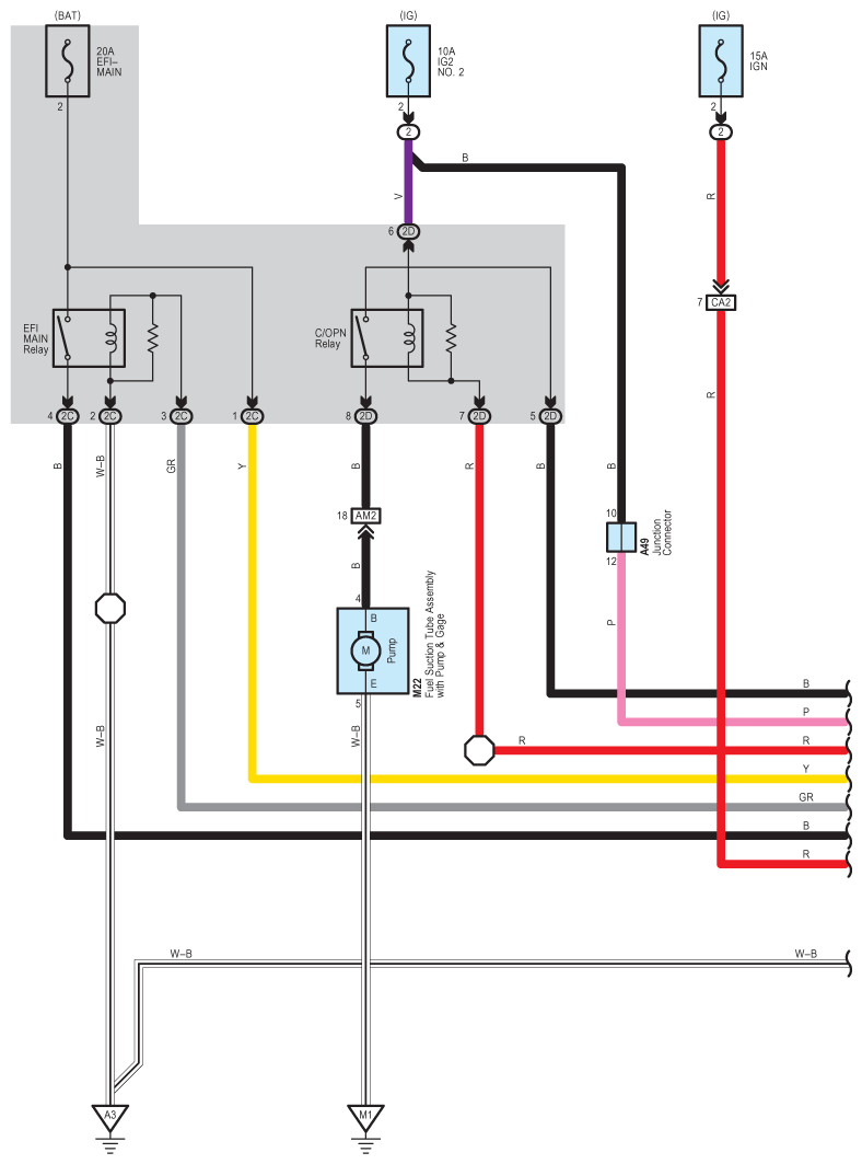
Fig 1: Cruise And Engine Control Wiring Diagram (1 Of 20)
G09101053Courtesy of © TOYOTA, LICENSE AGREEMENT TMS1002
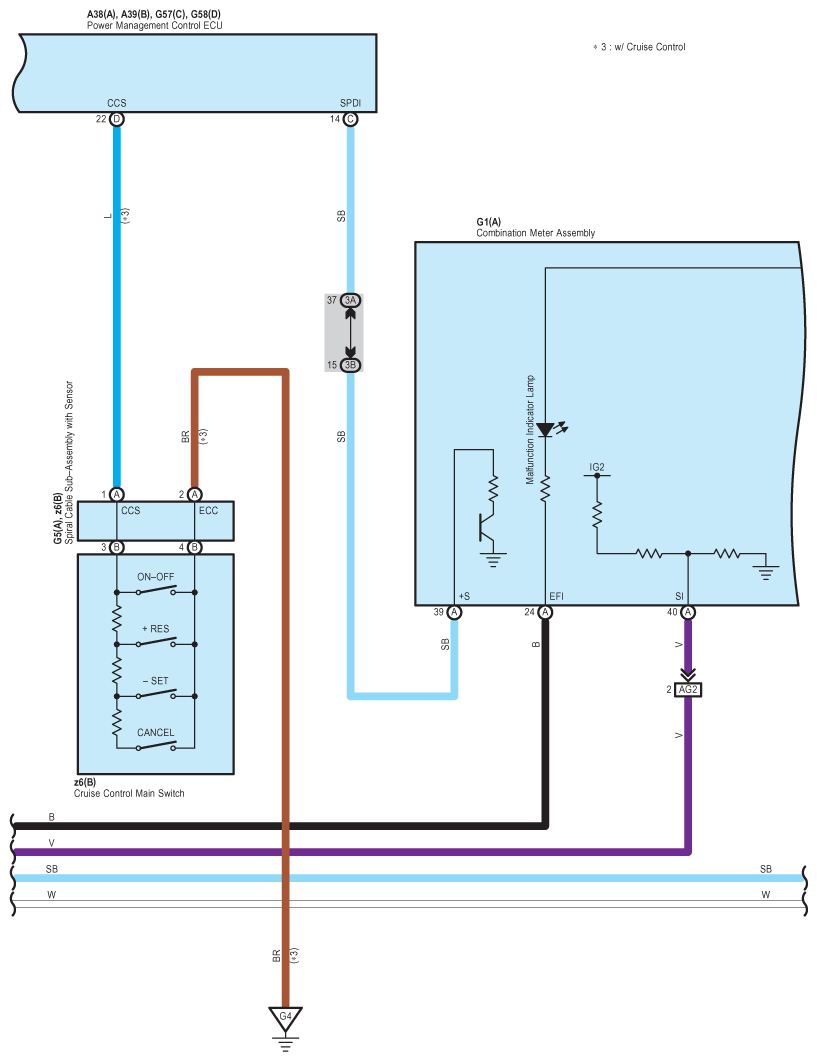
Fig 2: Cruise And Engine Control Wiring Diagram (2 Of 20)
G09101054Courtesy of © TOYOTA, LICENSE AGREEMENT TMS1002
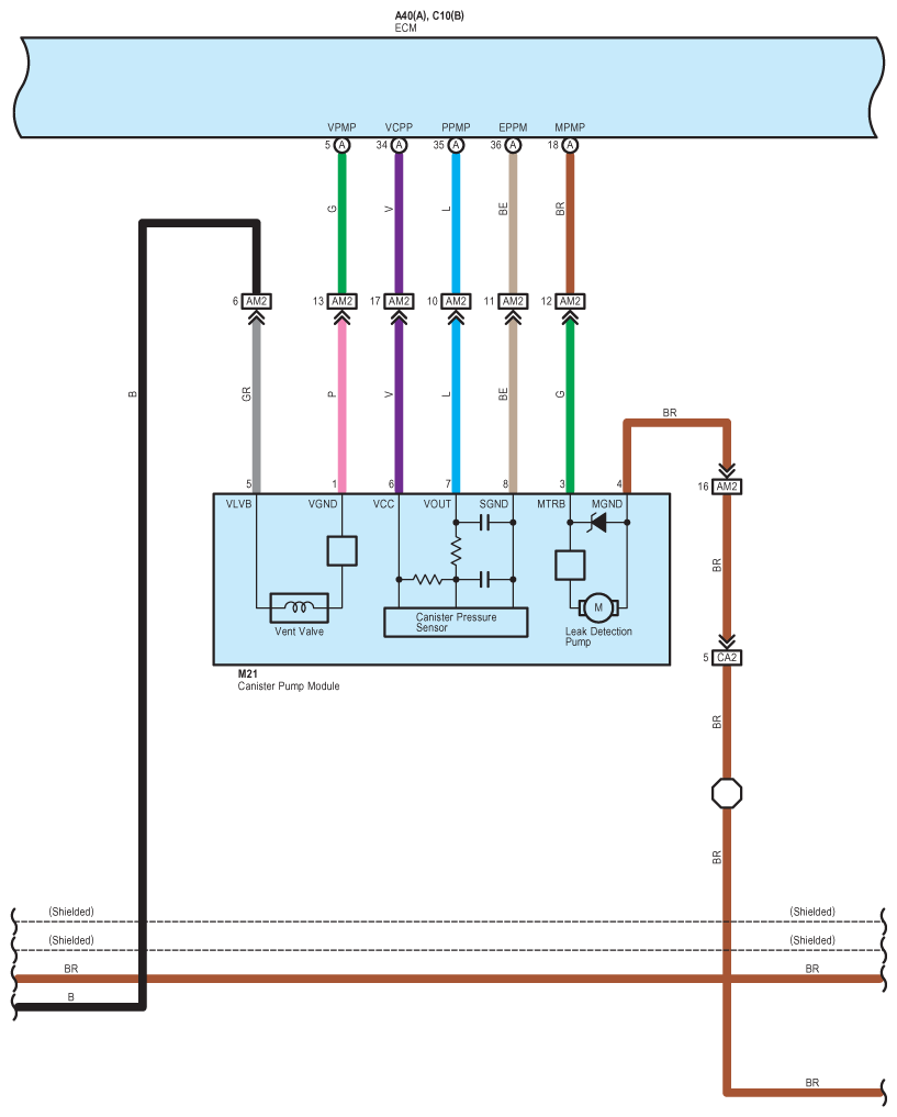
Fig 3: Cruise And Engine Control Wiring Diagram (3 Of 20)
G09101055Courtesy of © TOYOTA, LICENSE AGREEMENT TMS1002
Fig 4: Cruise And Engine Control Wiring Diagram (4 Of 20)
G09101056Courtesy of © TOYOTA, LICENSE AGREEMENT TMS1002
Fig 5: Cruise And Engine Control Wiring Diagram (5 Of 20)
G09101057Courtesy of © TOYOTA, LICENSE AGREEMENT TMS1002
Fig 6: Cruise And Engine Control Wiring Diagram (6 Of 20)
G09101058Courtesy of © TOYOTA, LICENSE AGREEMENT TMS1002
Fig 7: Cruise And Engine Control Wiring Diagram (7 Of 20)
G09101059Courtesy of © TOYOTA, LICENSE AGREEMENT TMS1002
Fig 8: Cruise And Engine Control Wiring Diagram (8 Of 20)
G09101060Courtesy of © TOYOTA, LICENSE AGREEMENT TMS1002
Fig 9: Cruise And Engine Control Wiring Diagram (9 Of 20)
G09101061Courtesy of © TOYOTA, LICENSE AGREEMENT TMS1002
Fig 10: Cruise And Engine Control Wiring Diagram (10 Of 20)
G09101062Courtesy of © TOYOTA, LICENSE AGREEMENT TMS1002
Fig 11: Cruise And Engine Control Wiring Diagram (11 Of 20)
G09101063Courtesy of © TOYOTA, LICENSE AGREEMENT TMS1002
Fig 12: Cruise And Engine Control Wiring Diagram (12 Of 20)
G09101064Courtesy of © TOYOTA, LICENSE AGREEMENT TMS1002
Fig 13: Cruise And Engine Control Wiring Diagram (13 Of 20)
G09101065Courtesy of © TOYOTA, LICENSE AGREEMENT TMS1002
Fig 14: Cruise And Engine Control Wiring Diagram (14 Of 20)
G09101066Courtesy of © TOYOTA, LICENSE AGREEMENT TMS1002
Fig 15: Cruise And Engine Control Wiring Diagram (15 Of 20)
G09101067Courtesy of © TOYOTA, LICENSE AGREEMENT TMS1002
Fig 16: Cruise And Engine Control Wiring Diagram (16 Of 20)
G09101068Courtesy of © TOYOTA, LICENSE AGREEMENT TMS1002
Fig 17: Cruise And Engine Control Wiring Diagram (17 Of 20)
G09101069Courtesy of © TOYOTA, LICENSE AGREEMENT TMS1002
Fig 18: Cruise And Engine Control Wiring Diagram (18 Of 20)
G09101070Courtesy of © TOYOTA, LICENSE AGREEMENT TMS1002
Fig 19: Cruise And Engine Control Wiring Diagram (19 Of 20)
G09101071Courtesy of © TOYOTA, LICENSE AGREEMENT TMS1002
Fig 20: Cruise And Engine Control Wiring Diagram (20 Of 20)
G09101072Courtesy of © TOYOTA, LICENSE AGREEMENT TMS1002