lemon-mirror:
Home >> Toyota >> 2013 >> Prius C >> Repair and Diagnosis >> Electrical >> Body Electrical >> OEM System Circuits >> Front Fog Light >> Notes

Front Fog Light: Notes

Fig 1: Front Fog Light Wiring Diagram (1 Of 3)
G09101085Courtesy of © TOYOTA, LICENSE AGREEMENT TMS1002
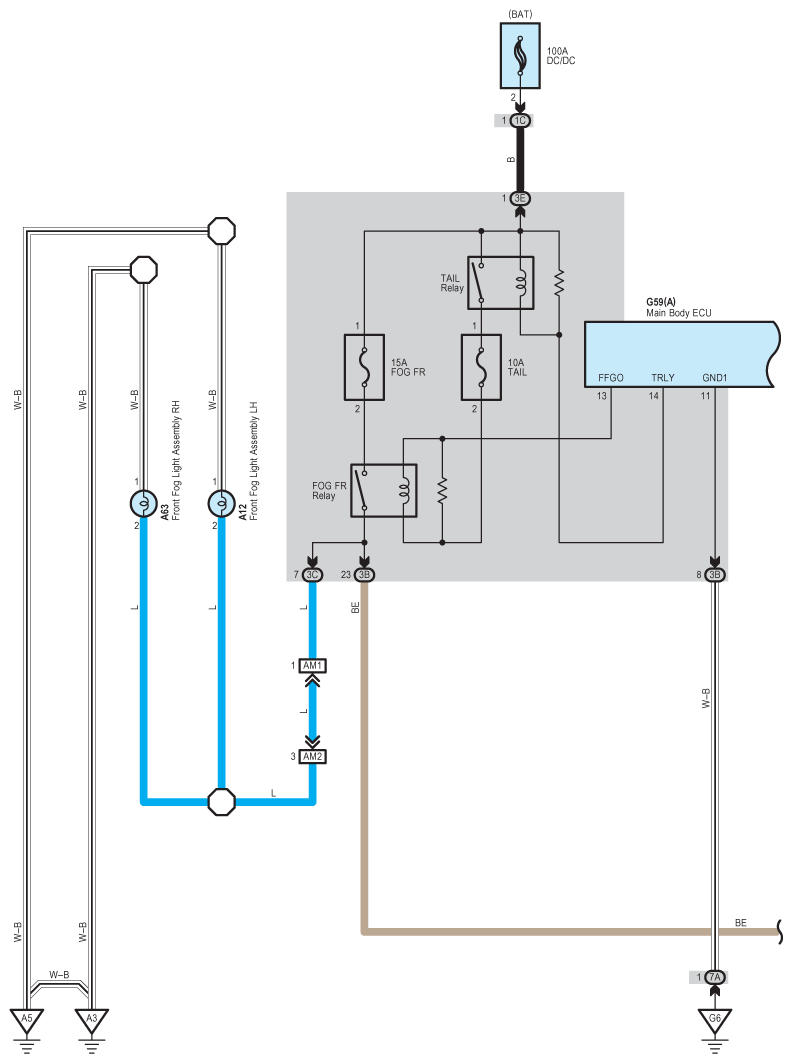
Fig 2: Front Fog Light Wiring Diagram (2 Of 3)
G09101086Courtesy of © TOYOTA, LICENSE AGREEMENT TMS1002
Fig 3: Front Fog Light Wiring Diagram (3 Of 3)
G09101087Courtesy of © TOYOTA, LICENSE AGREEMENT TMS1002