lemon-mirror:
Home >> Toyota >> 2013 >> Prius Plug-in >> Repair and Diagnosis >> Electrical >> Body Electrical >> OEM System Circuits (Plug-In) >> EPS >> Notes

OEM System Circuits (Plug-In): EPS: Notes

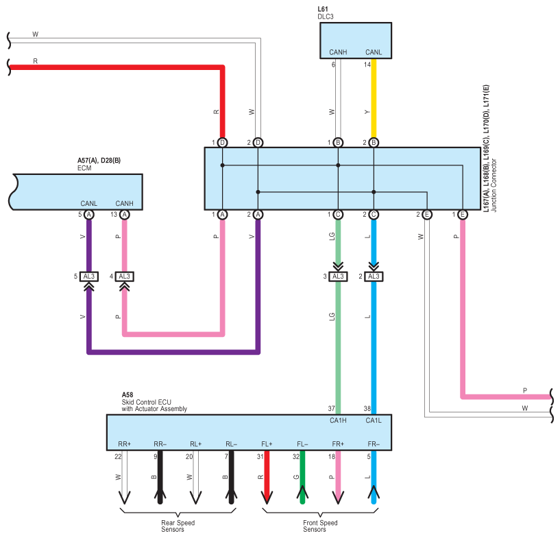
Fig 1: EPS Wiring Diagram (1 Of 4)
G09100326Courtesy of © TOYOTA, LICENSE AGREEMENT TMS1002
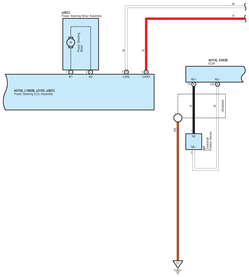
Fig 2: EPS Wiring Diagram (2 Of 4)
G09100327Courtesy of © TOYOTA, LICENSE AGREEMENT TMS1002
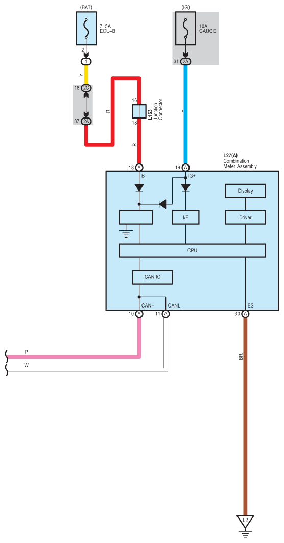
Fig 3: EPS Wiring Diagram (3 Of 4)
G09100328Courtesy of © TOYOTA, LICENSE AGREEMENT TMS1002
Fig 4: EPS Wiring Diagram (4 Of 4)
G09100329Courtesy of © TOYOTA, LICENSE AGREEMENT TMS1002