lemon-mirror:
Home >> Toyota >> 2013 >> Prius Plug-in >> Repair and Diagnosis >> Electrical >> Body Electrical >> OEM System Circuits (Plug-In) >> Ignition >> Notes

OEM System Circuits (Plug-In): Ignition: Notes

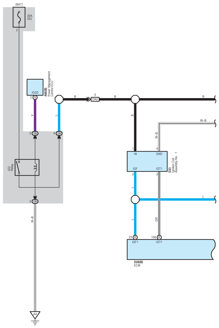
Fig 1: Ignition System Wiring Diagram (1 Of 2)
G09100136Courtesy of © TOYOTA, LICENSE AGREEMENT TMS1002
Fig 2: Ignition System Wiring Diagram (2 Of 2)
G09100137Courtesy of © TOYOTA, LICENSE AGREEMENT TMS1002