lemon-mirror:
Home >> Toyota >> 2013 >> Prius Plug-in >> Repair and Diagnosis >> Electrical >> Body Electrical >> OEM System Circuits (Plug-In) >> Plug-in Hybrid System and Shift Control System >> Notes

Plug-in Hybrid System and Shift Control System: Notes

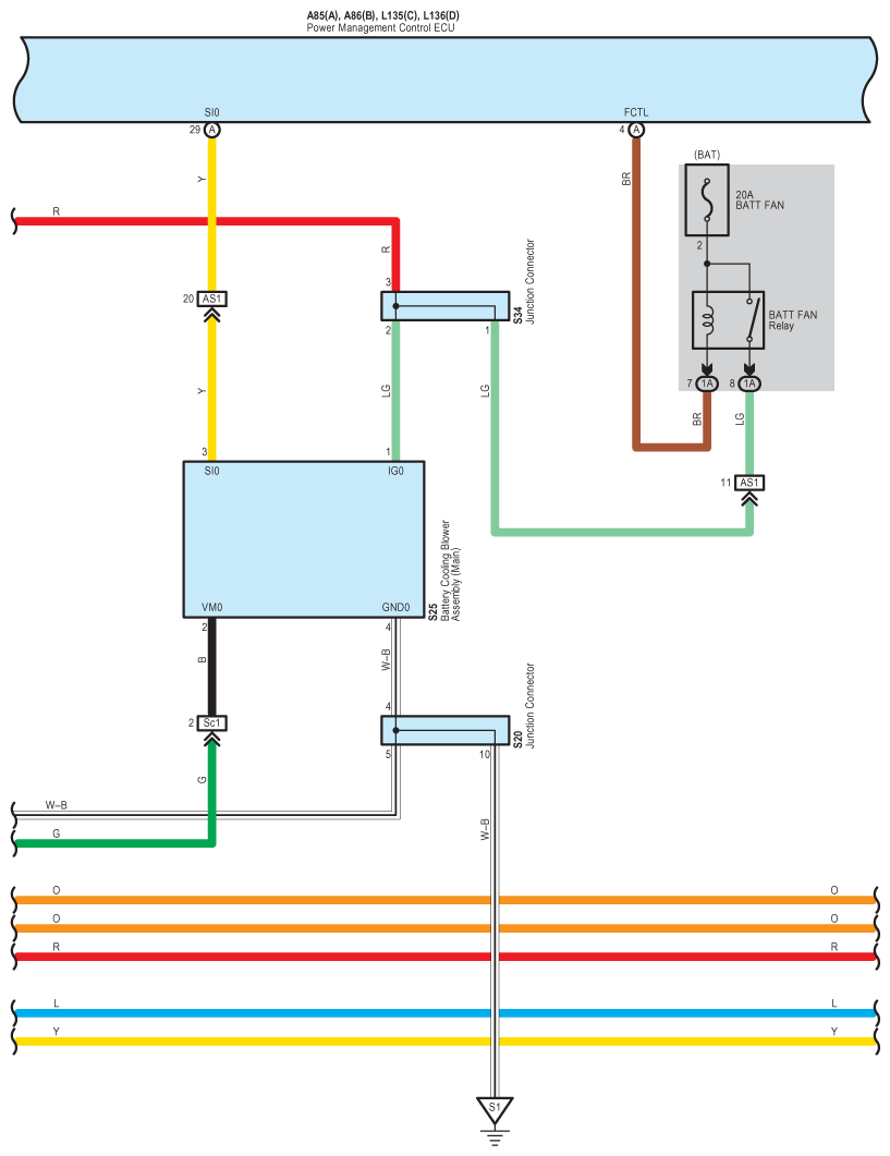
Fig 1: Plug-In Hybrid System And Shift Control System Wiring Diagram (1 Of 41)
G09100138Courtesy of © TOYOTA, LICENSE AGREEMENT TMS1002
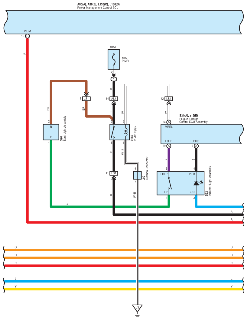
Fig 2: Plug-In Hybrid System And Shift Control System Wiring Diagram (2 Of 41)
G09100139Courtesy of © TOYOTA, LICENSE AGREEMENT TMS1002
Fig 3: Plug-In Hybrid System And Shift Control System Wiring Diagram (3 Of 41)
G09100140Courtesy of © TOYOTA, LICENSE AGREEMENT TMS1002
Fig 4: Plug-In Hybrid System And Shift Control System Wiring Diagram (4 Of 41)
G09100141Courtesy of © TOYOTA, LICENSE AGREEMENT TMS1002
Fig 5: Plug-In Hybrid System And Shift Control System Wiring Diagram (5 Of 41)
G09100142Courtesy of © TOYOTA, LICENSE AGREEMENT TMS1002
Fig 6: Plug-In Hybrid System And Shift Control System Wiring Diagram (6 Of 41)
G09100143Courtesy of © TOYOTA, LICENSE AGREEMENT TMS1002
Fig 7: Plug-In Hybrid System And Shift Control System Wiring Diagram (7 Of 41)
G09100144Courtesy of © TOYOTA, LICENSE AGREEMENT TMS1002
Fig 8: Plug-In Hybrid System And Shift Control System Wiring Diagram (8 Of 41)
G09100145Courtesy of © TOYOTA, LICENSE AGREEMENT TMS1002
Fig 9: Plug-In Hybrid System And Shift Control System Wiring Diagram (9 Of 41)
G09100146Courtesy of © TOYOTA, LICENSE AGREEMENT TMS1002
Fig 10: Plug-In Hybrid System And Shift Control System Wiring Diagram (10 Of 41)
G09100147Courtesy of © TOYOTA, LICENSE AGREEMENT TMS1002
Fig 11: Plug-In Hybrid System And Shift Control System Wiring Diagram (11 Of 41)
G09100148Courtesy of © TOYOTA, LICENSE AGREEMENT TMS1002
Fig 12: Plug-In Hybrid System And Shift Control System Wiring Diagram (12 Of 41)
G09100149Courtesy of © TOYOTA, LICENSE AGREEMENT TMS1002
Fig 13: Plug-In Hybrid System And Shift Control System Wiring Diagram (13 Of 41)
G09100150Courtesy of © TOYOTA, LICENSE AGREEMENT TMS1002
Fig 14: Plug-In Hybrid System And Shift Control System Wiring Diagram (14 Of 41)
G09100151Courtesy of © TOYOTA, LICENSE AGREEMENT TMS1002
Fig 15: Plug-In Hybrid System And Shift Control System Wiring Diagram (15 Of 41)
G09100152Courtesy of © TOYOTA, LICENSE AGREEMENT TMS1002
Fig 16: Plug-In Hybrid System And Shift Control System Wiring Diagram (16 Of 41)
G09100153Courtesy of © TOYOTA, LICENSE AGREEMENT TMS1002
Fig 17: Plug-In Hybrid System And Shift Control System Wiring Diagram (17 Of 41)
G09100154Courtesy of © TOYOTA, LICENSE AGREEMENT TMS1002
Fig 18: Plug-In Hybrid System And Shift Control System Wiring Diagram (18 Of 41)
G09100155Courtesy of © TOYOTA, LICENSE AGREEMENT TMS1002
Fig 19: Plug-In Hybrid System And Shift Control System Wiring Diagram (19 Of 41)
G09100156Courtesy of © TOYOTA, LICENSE AGREEMENT TMS1002
Fig 20: Plug-In Hybrid System And Shift Control System Wiring Diagram (20 Of 41)
G09100157Courtesy of © TOYOTA, LICENSE AGREEMENT TMS1002
Fig 21: Plug-In Hybrid System And Shift Control System Wiring Diagram (21 Of 41)
G09100158Courtesy of © TOYOTA, LICENSE AGREEMENT TMS1002
Fig 22: Plug-In Hybrid System And Shift Control System Wiring Diagram (22 Of 41)
G09100159Courtesy of © TOYOTA, LICENSE AGREEMENT TMS1002
Fig 23: Plug-In Hybrid System And Shift Control System Wiring Diagram (23 Of 41)
G09100160Courtesy of © TOYOTA, LICENSE AGREEMENT TMS1002
Fig 24: Plug-In Hybrid System And Shift Control System Wiring Diagram (24 Of 41)
G09100161Courtesy of © TOYOTA, LICENSE AGREEMENT TMS1002
Fig 25: Plug-In Hybrid System And Shift Control System Wiring Diagram (25 Of 41)
G09100162Courtesy of © TOYOTA, LICENSE AGREEMENT TMS1002
Fig 26: Plug-In Hybrid System And Shift Control System Wiring Diagram (26 Of 41)
G09100163Courtesy of © TOYOTA, LICENSE AGREEMENT TMS1002
Fig 27: Plug-In Hybrid System And Shift Control System Wiring Diagram (27 Of 41)
G09100164Courtesy of © TOYOTA, LICENSE AGREEMENT TMS1002
Fig 28: Plug-In Hybrid System And Shift Control System Wiring Diagram (28 Of 41)
G09100165Courtesy of © TOYOTA, LICENSE AGREEMENT TMS1002
Fig 29: Plug-In Hybrid System And Shift Control System Wiring Diagram (29 Of 41)
G09100166Courtesy of © TOYOTA, LICENSE AGREEMENT TMS1002
Fig 30: Plug-In Hybrid System And Shift Control System Wiring Diagram (30 Of 41)
G09100167Courtesy of © TOYOTA, LICENSE AGREEMENT TMS1002
Fig 31: Plug-In Hybrid System And Shift Control System Wiring Diagram (31 Of 41)
G09100168Courtesy of © TOYOTA, LICENSE AGREEMENT TMS1002
Fig 32: Plug-In Hybrid System And Shift Control System Wiring Diagram (32 Of 41)
G09100169Courtesy of © TOYOTA, LICENSE AGREEMENT TMS1002
Fig 33: Plug-In Hybrid System And Shift Control System Wiring Diagram (33 Of 41)
G09100170Courtesy of © TOYOTA, LICENSE AGREEMENT TMS1002
Fig 34: Plug-In Hybrid System And Shift Control System Wiring Diagram (34 Of 41)
G09100171Courtesy of © TOYOTA, LICENSE AGREEMENT TMS1002
Fig 35: Plug-In Hybrid System And Shift Control System Wiring Diagram (35 Of 41)
G09100172Courtesy of © TOYOTA, LICENSE AGREEMENT TMS1002
Fig 36: Plug-In Hybrid System And Shift Control System Wiring Diagram (36 Of 41)
G09100173Courtesy of © TOYOTA, LICENSE AGREEMENT TMS1002
Fig 37: Plug-In Hybrid System And Shift Control System Wiring Diagram (37 Of 41)
G09100174Courtesy of © TOYOTA, LICENSE AGREEMENT TMS1002
Fig 38: Plug-In Hybrid System And Shift Control System Wiring Diagram (38 Of 41)
G09100175Courtesy of © TOYOTA, LICENSE AGREEMENT TMS1002
Fig 39: Plug-In Hybrid System And Shift Control System Wiring Diagram (39 Of 41)
G09100176Courtesy of © TOYOTA, LICENSE AGREEMENT TMS1002
Fig 40: Plug-In Hybrid System And Shift Control System Wiring Diagram (40 Of 41)
G09100177Courtesy of © TOYOTA, LICENSE AGREEMENT TMS1002
Fig 41: Plug-In Hybrid System And Shift Control System Wiring Diagram (41 Of 41)
G09100178Courtesy of © TOYOTA, LICENSE AGREEMENT TMS1002