lemon-mirror:
Home >> Toyota >> 2013 >> Prius Plug-in >> Repair and Diagnosis >> Electrical >> Body Electrical >> OEM System Circuits (Plug-In) >> Power Window >> Notes

Power Window: Notes

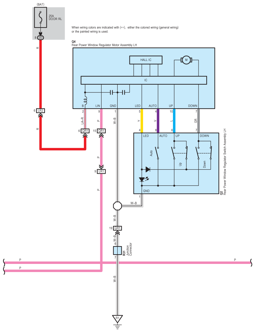
Fig 1: Power Window System Wiring Diagram (1 Of 5)
G09100330Courtesy of © TOYOTA, LICENSE AGREEMENT TMS1002
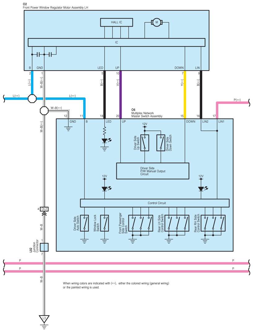
Fig 2: Power Window System Wiring Diagram (2 Of 5)
G09100331Courtesy of © TOYOTA, LICENSE AGREEMENT TMS1002
Fig 3: Power Window System Wiring Diagram (3 Of 5)
G09100332Courtesy of © TOYOTA, LICENSE AGREEMENT TMS1002
Fig 4: Power Window System Wiring Diagram (4 Of 5)
G09100333Courtesy of © TOYOTA, LICENSE AGREEMENT TMS1002
Fig 5: Power Window System Wiring Diagram (5 Of 5)
G09100334Courtesy of © TOYOTA, LICENSE AGREEMENT TMS1002