lemon-mirror:
Home >> Toyota >> 2013 >> Prius Two >> Repair and Diagnosis >> Electrical >> Body Electrical >> OEM Ground Points (Except Plug-In) >> Ground Point >> Notes

Ground Point: Notes

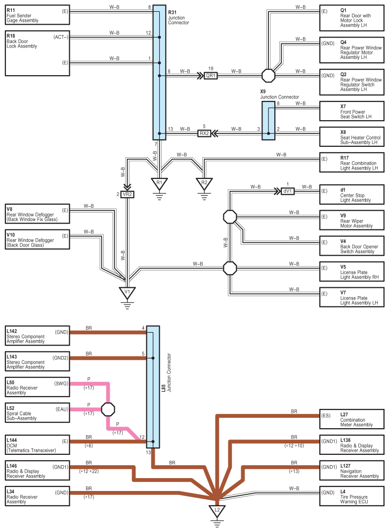
Fig 1: Ground Point Electrical Wiring Diagram (1 Of 8)
G09099581Courtesy of © TOYOTA, LICENSE AGREEMENT TMS1002
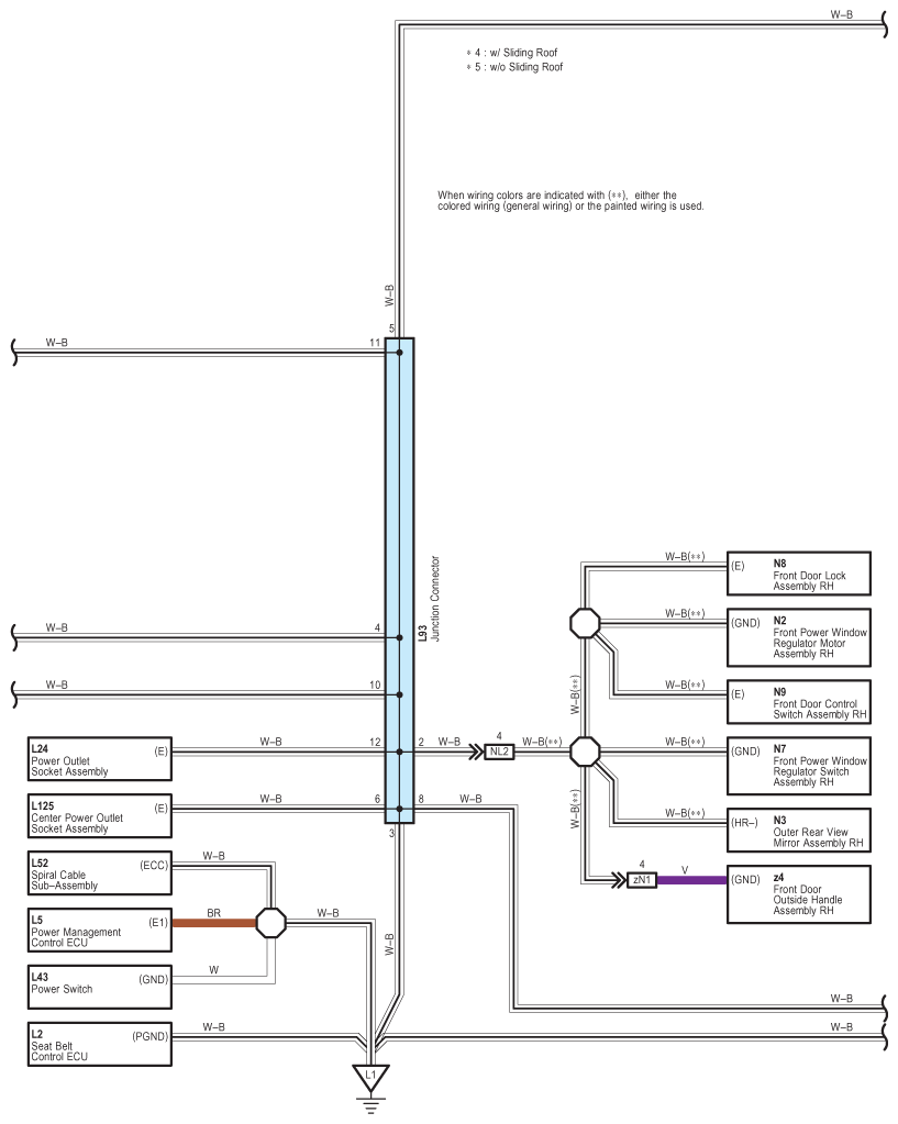
Fig 2: Ground Point Electrical Wiring Diagram (2 Of 8)
G09099582Courtesy of © TOYOTA, LICENSE AGREEMENT TMS1002
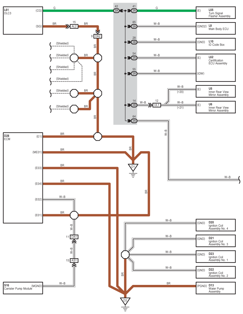
Fig 3: Ground Point Electrical Wiring Diagram (3 Of 8)
G09099583Courtesy of © TOYOTA, LICENSE AGREEMENT TMS1002
Fig 4: Ground Point Electrical Wiring Diagram (4 Of 8)
G09099584Courtesy of © TOYOTA, LICENSE AGREEMENT TMS1002
Fig 5: Ground Point Electrical Wiring Diagram (5 Of 8)
G09099585Courtesy of © TOYOTA, LICENSE AGREEMENT TMS1002
Fig 6: Ground Point Electrical Wiring Diagram (6 Of 8)
G09099586Courtesy of © TOYOTA, LICENSE AGREEMENT TMS1002
Fig 7: Ground Point Electrical Wiring Diagram (7 Of 8)
G09099587Courtesy of © TOYOTA, LICENSE AGREEMENT TMS1002
Fig 8: Ground Point Electrical Wiring Diagram (8 Of 8)
G09099588Courtesy of © TOYOTA, LICENSE AGREEMENT TMS1002