lemon-mirror:
Home >> Toyota >> 2013 >> Prius Two >> Repair and Diagnosis >> Electrical >> Body Electrical >> OEM System Circuits (Except Plug-In) >> Air Conditioning >> Notes

Air Conditioning: Notes

Fig 1: Air Conditioning System Wiring Diagram (1 Of 12)
G09099554Courtesy of © TOYOTA, LICENSE AGREEMENT TMS1002
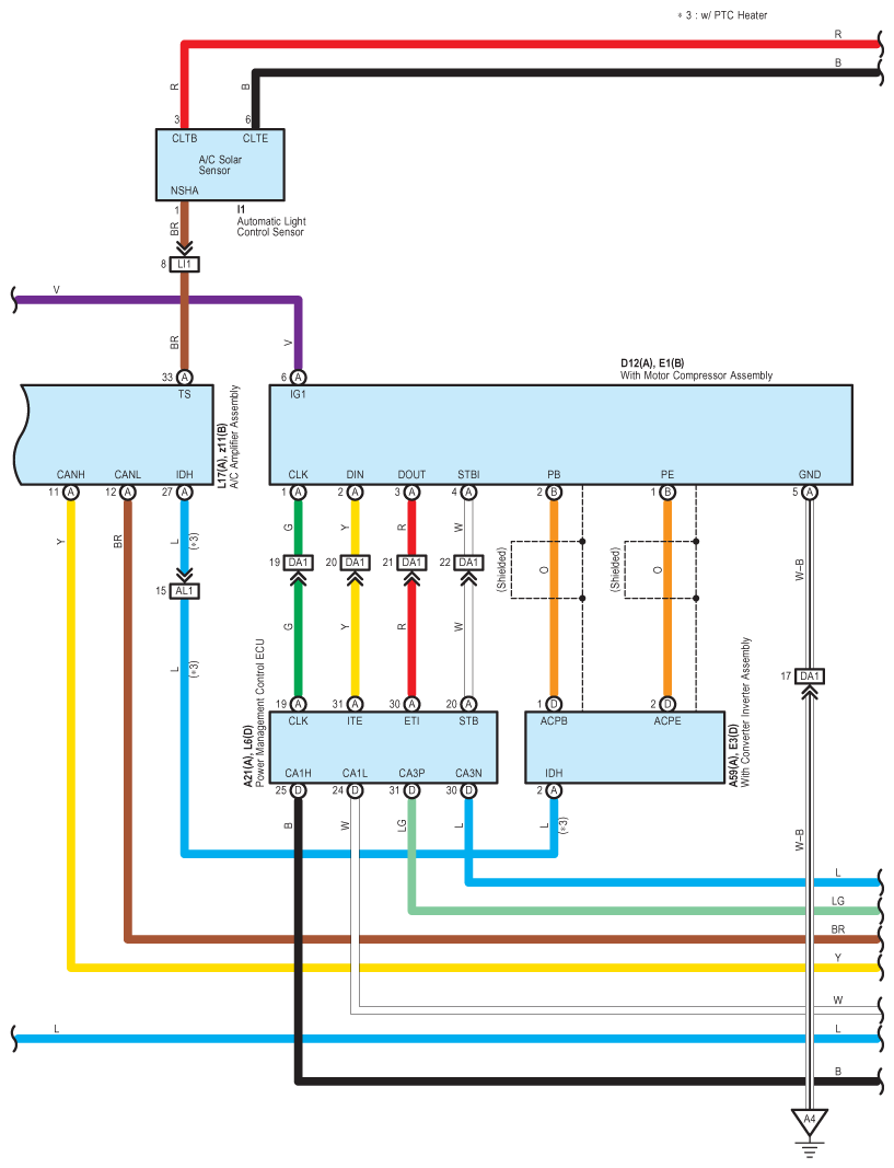
Fig 2: Air Conditioning System Wiring Diagram (2 Of 12)
G09099555Courtesy of © TOYOTA, LICENSE AGREEMENT TMS1002
Fig 3: Air Conditioning System Wiring Diagram (3 Of 12)
G09099556Courtesy of © TOYOTA, LICENSE AGREEMENT TMS1002
Fig 4: Air Conditioning System Wiring Diagram (4 Of 12)
G09099557Courtesy of © TOYOTA, LICENSE AGREEMENT TMS1002
Fig 5: Air Conditioning System Wiring Diagram (5 Of 12)
G09099558Courtesy of © TOYOTA, LICENSE AGREEMENT TMS1002
Fig 6: Air Conditioning System Wiring Diagram (6 Of 12)
G09099559Courtesy of © TOYOTA, LICENSE AGREEMENT TMS1002
Fig 7: Air Conditioning System Wiring Diagram (7 Of 12)
G09099560Courtesy of © TOYOTA, LICENSE AGREEMENT TMS1002
Fig 8: Air Conditioning System Wiring Diagram (8 Of 12)
G09099561Courtesy of © TOYOTA, LICENSE AGREEMENT TMS1002
Fig 9: Air Conditioning System Wiring Diagram (9 Of 12)
G09099562Courtesy of © TOYOTA, LICENSE AGREEMENT TMS1002
Fig 10: Air Conditioning System Wiring Diagram (10 Of 12)
G09099563Courtesy of © TOYOTA, LICENSE AGREEMENT TMS1002
Fig 11: Air Conditioning System Wiring Diagram (11 Of 12)
G09099564Courtesy of © TOYOTA, LICENSE AGREEMENT TMS1002
Fig 12: Air Conditioning System Wiring Diagram (12 Of 12)
G09099565Courtesy of © TOYOTA, LICENSE AGREEMENT TMS1002