lemon-mirror:
Home >> Toyota >> 2013 >> Prius Two >> Repair and Diagnosis >> Electrical >> Body Electrical >> OEM System Circuits (Except Plug-In) >> Cruise Control, Dynamic Radar Cruise Control and Engine Control >> Notes

Cruise Control, Dynamic Radar Cruise Control and Engine Control: Notes

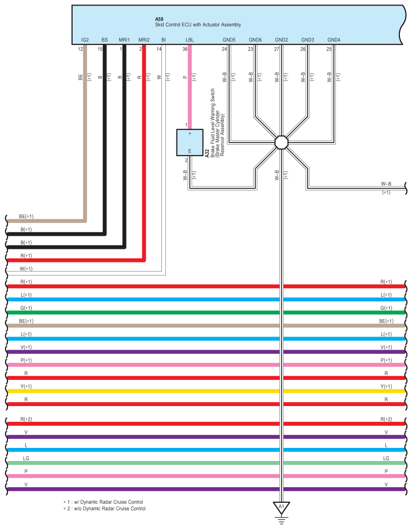
Fig 1: Cruise Control, Dynamic Radar Cruise Control And Engine Control System Wiring Diagram (1 Of 32)
G09099354Courtesy of © TOYOTA, LICENSE AGREEMENT TMS1002
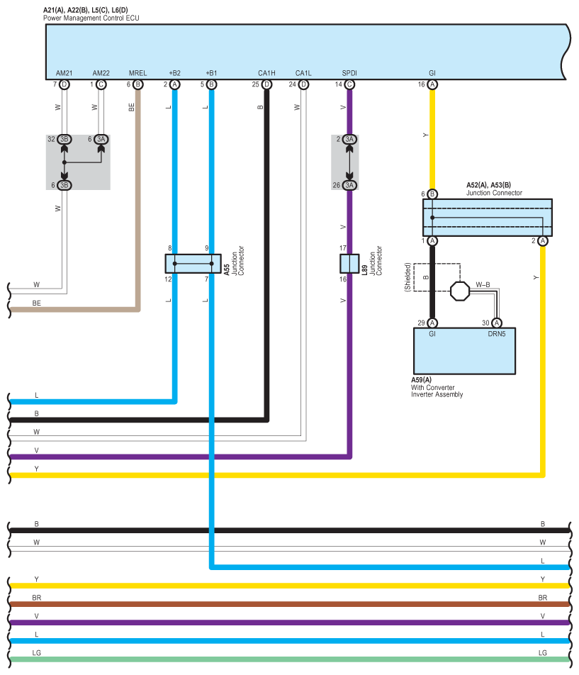
Fig 2: Cruise Control, Dynamic Radar Cruise Control And Engine Control System Wiring Diagram (2 Of 32)
G09099355Courtesy of © TOYOTA, LICENSE AGREEMENT TMS1002
Fig 3: Cruise Control, Dynamic Radar Cruise Control And Engine Control System Wiring Diagram (3 Of 32)
G09099356Courtesy of © TOYOTA, LICENSE AGREEMENT TMS1002
Fig 4: Cruise Control, Dynamic Radar Cruise Control And Engine Control System Wiring Diagram (4 Of 32)
G09099357Courtesy of © TOYOTA, LICENSE AGREEMENT TMS1002
Fig 5: Cruise Control, Dynamic Radar Cruise Control And Engine Control System Wiring Diagram (5 Of 32)
G09099358Courtesy of © TOYOTA, LICENSE AGREEMENT TMS1002
Fig 6: Cruise Control, Dynamic Radar Cruise Control And Engine Control System Wiring Diagram (6 Of 32)
G09099359Courtesy of © TOYOTA, LICENSE AGREEMENT TMS1002
Fig 7: Cruise Control, Dynamic Radar Cruise Control And Engine Control System Wiring Diagram (7 Of 32)
G09099360Courtesy of © TOYOTA, LICENSE AGREEMENT TMS1002
Fig 8: Cruise Control, Dynamic Radar Cruise Control And Engine Control System Wiring Diagram (8 Of 32)
G09099361Courtesy of © TOYOTA, LICENSE AGREEMENT TMS1002
Fig 9: Cruise Control, Dynamic Radar Cruise Control And Engine Control System Wiring Diagram (9 Of 32)
G09099362Courtesy of © TOYOTA, LICENSE AGREEMENT TMS1002
Fig 10: Cruise Control, Dynamic Radar Cruise Control And Engine Control System Wiring Diagram (10 Of 32)
G09099363Courtesy of © TOYOTA, LICENSE AGREEMENT TMS1002
Fig 11: Cruise Control, Dynamic Radar Cruise Control And Engine Control System Wiring Diagram (11 Of 32)
G09099364Courtesy of © TOYOTA, LICENSE AGREEMENT TMS1002
Fig 12: Cruise Control, Dynamic Radar Cruise Control And Engine Control System Wiring Diagram (12 Of 32)
G09099365Courtesy of © TOYOTA, LICENSE AGREEMENT TMS1002
Fig 13: Cruise Control, Dynamic Radar Cruise Control And Engine Control System Wiring Diagram (13 Of 32)
G09099366Courtesy of © TOYOTA, LICENSE AGREEMENT TMS1002
Fig 14: Cruise Control, Dynamic Radar Cruise Control And Engine Control System Wiring Diagram (14 Of 32)
G09099367Courtesy of © TOYOTA, LICENSE AGREEMENT TMS1002
Fig 15: Cruise Control, Dynamic Radar Cruise Control And Engine Control System Wiring Diagram (15 Of 32)
G09099368Courtesy of © TOYOTA, LICENSE AGREEMENT TMS1002
Fig 16: Cruise Control, Dynamic Radar Cruise Control And Engine Control System Wiring Diagram (16 Of 32)
G09099369Courtesy of © TOYOTA, LICENSE AGREEMENT TMS1002
Fig 17: Cruise Control, Dynamic Radar Cruise Control And Engine Control System Wiring Diagram (17 Of 32)
G09099370Courtesy of © TOYOTA, LICENSE AGREEMENT TMS1002
Fig 18: Cruise Control, Dynamic Radar Cruise Control And Engine Control System Wiring Diagram (18 Of 32)
G09099371Courtesy of © TOYOTA, LICENSE AGREEMENT TMS1002
Fig 19: Cruise Control, Dynamic Radar Cruise Control And Engine Control System Wiring Diagram (19 Of 32)
G09099372Courtesy of © TOYOTA, LICENSE AGREEMENT TMS1002
Fig 20: Cruise Control, Dynamic Radar Cruise Control And Engine Control System Wiring Diagram (20 Of 32)
G09099373Courtesy of © TOYOTA, LICENSE AGREEMENT TMS1002
Fig 21: Cruise Control, Dynamic Radar Cruise Control And Engine Control System Wiring Diagram (21 Of 32)
G09099374Courtesy of © TOYOTA, LICENSE AGREEMENT TMS1002
Fig 22: Cruise Control, Dynamic Radar Cruise Control And Engine Control System Wiring Diagram (22 Of 32)
G09099375Courtesy of © TOYOTA, LICENSE AGREEMENT TMS1002
Fig 23: Cruise Control, Dynamic Radar Cruise Control And Engine Control System Wiring Diagram (23 Of 32)
G09099376Courtesy of © TOYOTA, LICENSE AGREEMENT TMS1002
Fig 24: Cruise Control, Dynamic Radar Cruise Control And Engine Control System Wiring Diagram (24 Of 32)
G09099377Courtesy of © TOYOTA, LICENSE AGREEMENT TMS1002
Fig 25: Cruise Control, Dynamic Radar Cruise Control And Engine Control System Wiring Diagram (25 Of 32)
G09099378Courtesy of © TOYOTA, LICENSE AGREEMENT TMS1002
Fig 26: Cruise Control, Dynamic Radar Cruise Control And Engine Control System Wiring Diagram (26 Of 32)
G09099379Courtesy of © TOYOTA, LICENSE AGREEMENT TMS1002
Fig 27: Cruise Control, Dynamic Radar Cruise Control And Engine Control System Wiring Diagram (27 Of 32)
G09099380Courtesy of © TOYOTA, LICENSE AGREEMENT TMS1002
Fig 28: Cruise Control, Dynamic Radar Cruise Control And Engine Control System Wiring Diagram (28 Of 32)
G09099381Courtesy of © TOYOTA, LICENSE AGREEMENT TMS1002
Fig 29: Cruise Control, Dynamic Radar Cruise Control And Engine Control System Wiring Diagram (29 Of 32)
G09099382Courtesy of © TOYOTA, LICENSE AGREEMENT TMS1002
Fig 30: Cruise Control, Dynamic Radar Cruise Control And Engine Control System Wiring Diagram (30 Of 32)
G09099383Courtesy of © TOYOTA, LICENSE AGREEMENT TMS1002
Fig 31: Cruise Control, Dynamic Radar Cruise Control And Engine Control System Wiring Diagram (31 Of 32)
G09099384Courtesy of © TOYOTA, LICENSE AGREEMENT TMS1002
Fig 32: Cruise Control, Dynamic Radar Cruise Control And Engine Control System Wiring Diagram (32 Of 32)
G09099385Courtesy of © TOYOTA, LICENSE AGREEMENT TMS1002