lemon-mirror:
Home >> Toyota >> 2013 >> Prius Two >> Repair and Diagnosis >> Electrical >> Body Electrical >> OEM System Circuits (Except Plug-In) >> Door Lock control >> Notes

Door Lock control: Notes

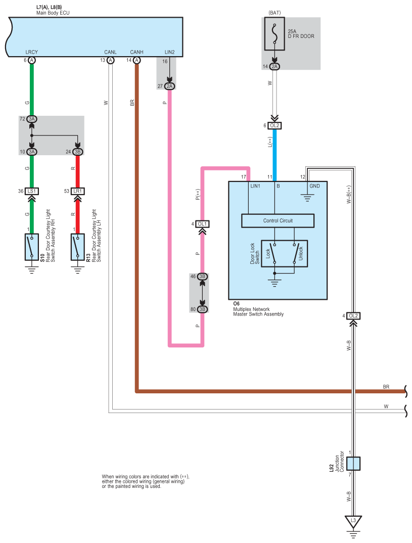
Fig 1: Door Lock Control System Wiring Diagram (1 Of 8)
G09099436Courtesy of © TOYOTA, LICENSE AGREEMENT TMS1002
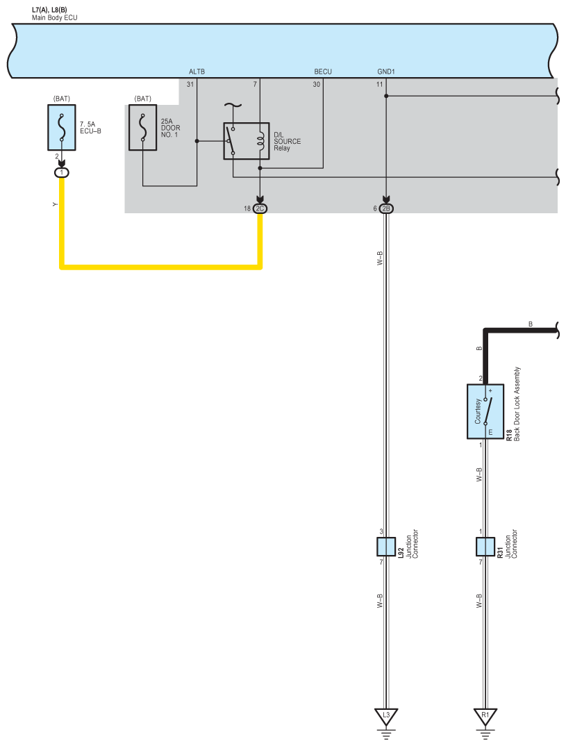
Fig 2: Door Lock Control System Wiring Diagram (2 Of 8)
G09099437Courtesy of © TOYOTA, LICENSE AGREEMENT TMS1002
Fig 3: Door Lock Control System Wiring Diagram (3 Of 8)
G09099438Courtesy of © TOYOTA, LICENSE AGREEMENT TMS1002
Fig 4: Door Lock Control System Wiring Diagram (4 Of 8)
G09099439Courtesy of © TOYOTA, LICENSE AGREEMENT TMS1002
Fig 5: Door Lock Control System Wiring Diagram (5 Of 8)
G09099440Courtesy of © TOYOTA, LICENSE AGREEMENT TMS1002
Fig 6: Door Lock Control System Wiring Diagram (6 Of 8)
G09099441Courtesy of © TOYOTA, LICENSE AGREEMENT TMS1002
Fig 7: Door Lock Control System Wiring Diagram (7 Of 8)
G09099442Courtesy of © TOYOTA, LICENSE AGREEMENT TMS1002
Fig 8: Door Lock Control System Wiring Diagram (8 Of 8)
G09099443Courtesy of © TOYOTA, LICENSE AGREEMENT TMS1002