lemon-mirror:
Home >> Toyota >> 2013 >> Prius Two >> Repair and Diagnosis >> Electrical >> Body Electrical >> OEM System Circuits (Except Plug-In) >> EPS >> Notes

OEM System Circuits (Except Plug-In): EPS: Notes

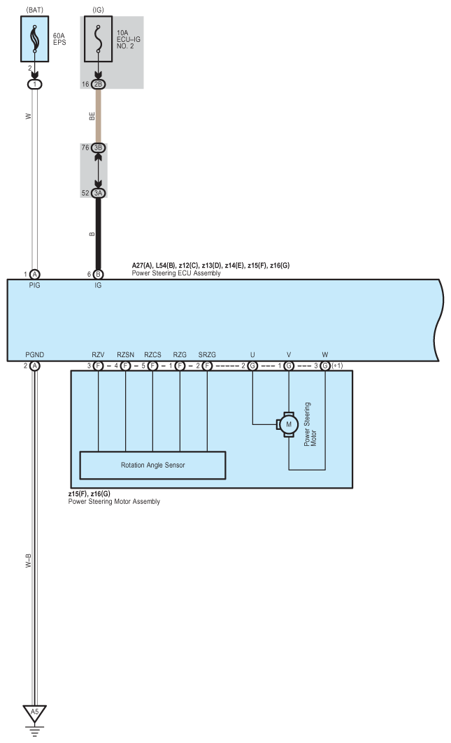
Fig 1: EPS System Wiring Diagram (1 Of 4)
G09099483Courtesy of © TOYOTA, LICENSE AGREEMENT TMS1002
Fig 2: EPS System Wiring Diagram (2 Of 4)
G09099484Courtesy of © TOYOTA, LICENSE AGREEMENT TMS1002
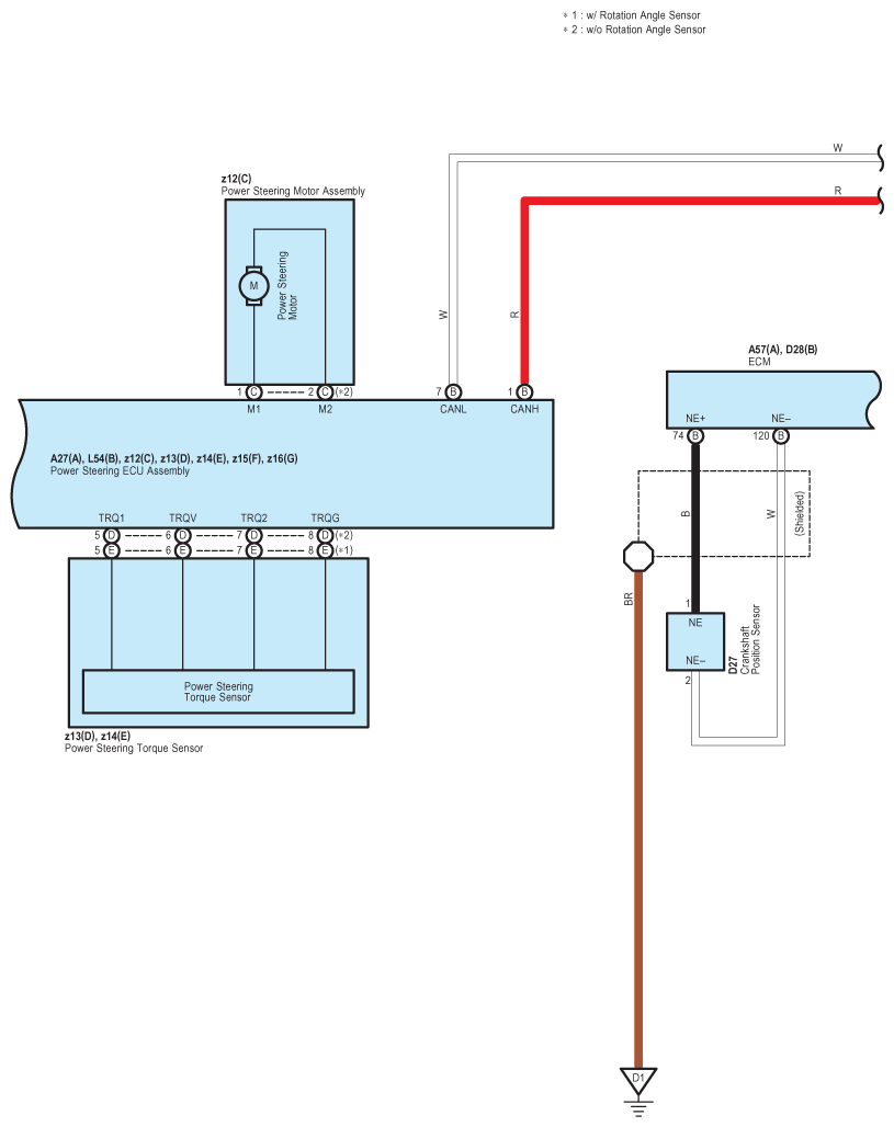
Fig 3: EPS System Wiring Diagram (3 Of 4)
G09099485Courtesy of © TOYOTA, LICENSE AGREEMENT TMS1002
Fig 4: EPS System Wiring Diagram (4 Of 4)
G09099486Courtesy of © TOYOTA, LICENSE AGREEMENT TMS1002