lemon-mirror:
Home >> Toyota >> 2013 >> Prius Two >> Repair and Diagnosis >> Electrical >> Body Electrical >> OEM System Circuits (Except Plug-In) >> Front Wiper and Washer >> Notes

Front Wiper and Washer: Notes

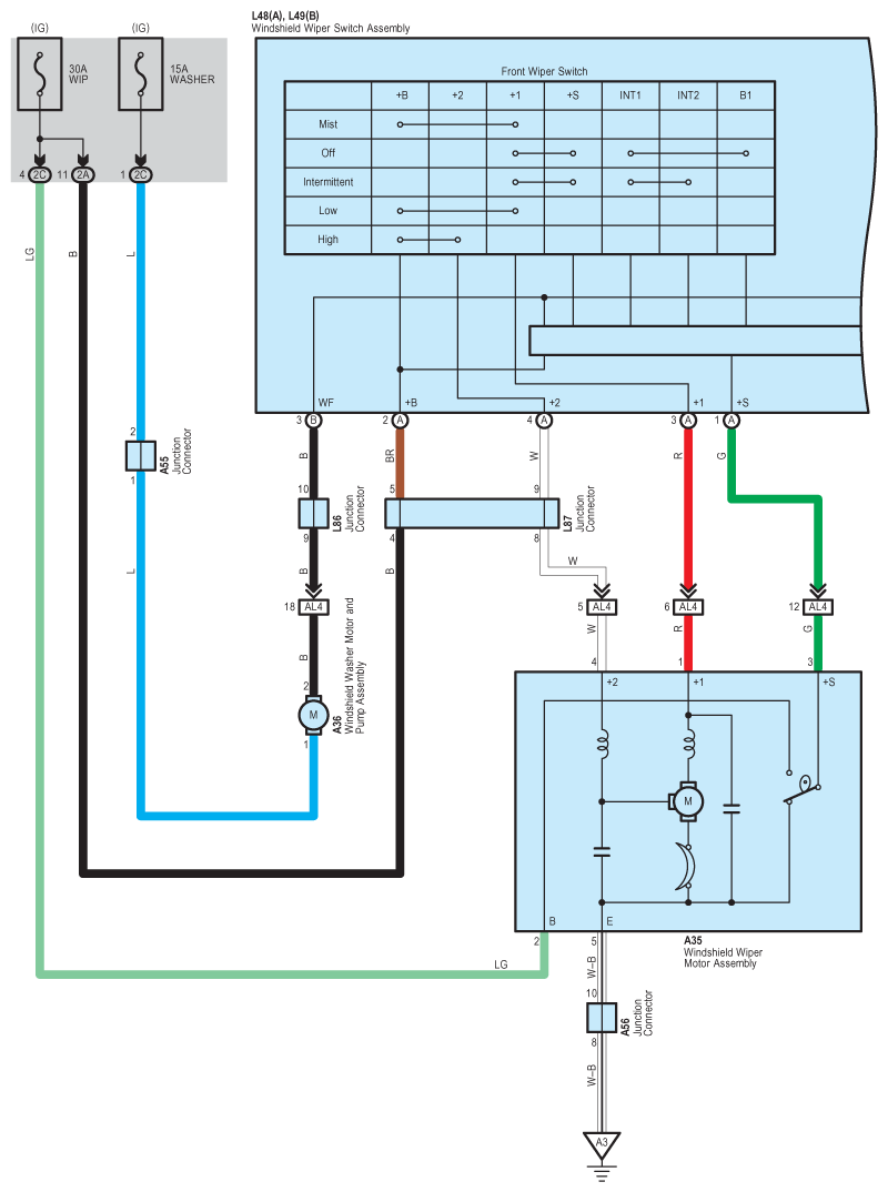
Fig 1: Front Wiper And Washer System Wiring Diagram (1 Of 2)
G09099428Courtesy of © TOYOTA, LICENSE AGREEMENT TMS1002
Fig 2: Front Wiper And Washer System Wiring Diagram (2 Of 2)
G09099429Courtesy of © TOYOTA, LICENSE AGREEMENT TMS1002