lemon-mirror:
Home >> Toyota >> 2013 >> Prius Two >> Repair and Diagnosis >> Electrical >> Body Electrical >> OEM System Circuits (Except Plug-In) >> Headlight >> Notes

OEM System Circuits (Except Plug-In): Headlight: Notes

Fig 1: Headlight System Wiring Diagram (1 Of 7)
G09099391Courtesy of © TOYOTA, LICENSE AGREEMENT TMS1002
Fig 2: Headlight System Wiring Diagram (2 Of 7)
G09099392Courtesy of © TOYOTA, LICENSE AGREEMENT TMS1002
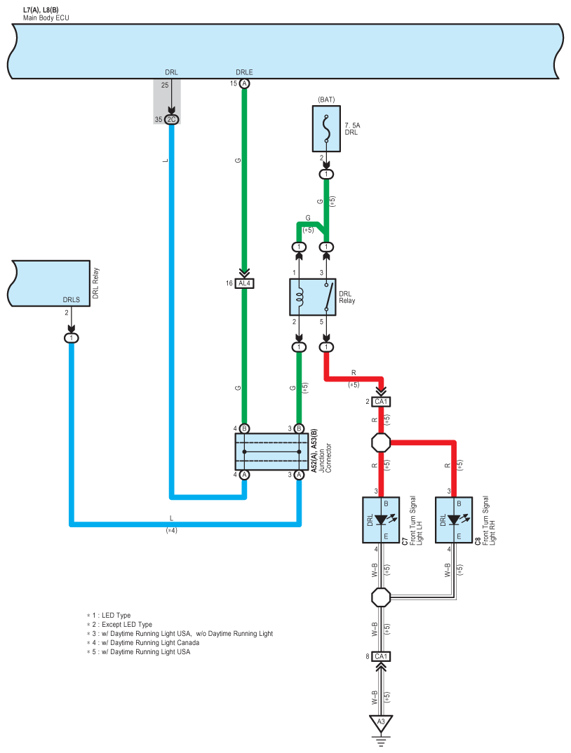
Fig 3: Headlight System Wiring Diagram (3 Of 7)
G09099393Courtesy of © TOYOTA, LICENSE AGREEMENT TMS1002
Fig 4: Headlight System Wiring Diagram (4 Of 7)
G09099394Courtesy of © TOYOTA, LICENSE AGREEMENT TMS1002
Fig 5: Headlight System Wiring Diagram (5 Of 7)
G09099395Courtesy of © TOYOTA, LICENSE AGREEMENT TMS1002
Fig 6: Headlight System Wiring Diagram (6 Of 7)
G09099396Courtesy of © TOYOTA, LICENSE AGREEMENT TMS1002
Fig 7: Headlight System Wiring Diagram (7 Of 7)
G09099397Courtesy of © TOYOTA, LICENSE AGREEMENT TMS1002