lemon-mirror:
Home >> Toyota >> 2013 >> Prius Two >> Repair and Diagnosis >> Electrical >> Body Electrical >> OEM System Circuits (Except Plug-In) >> Hybrid System and Shift Control System >> Notes

Hybrid System and Shift Control System: Notes

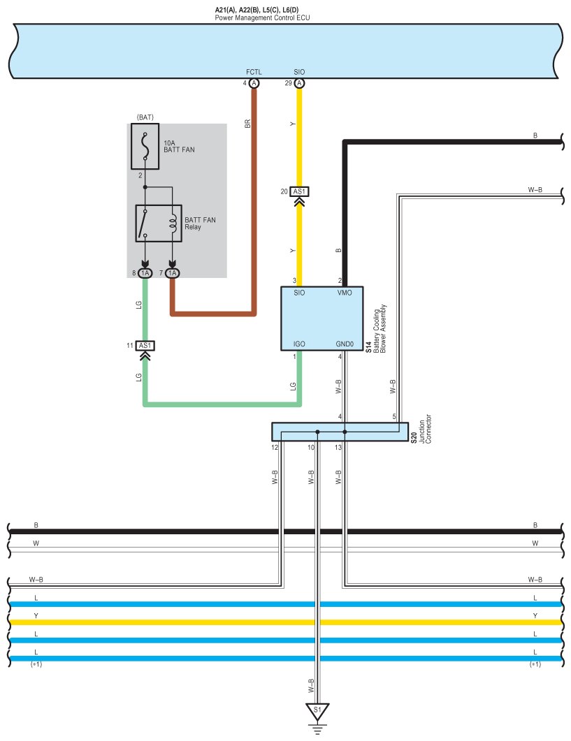
Fig 1: Hybrid System And Shift Control System Wiring Diagram (1 Of 28)
G09099305Courtesy of © TOYOTA, LICENSE AGREEMENT TMS1002
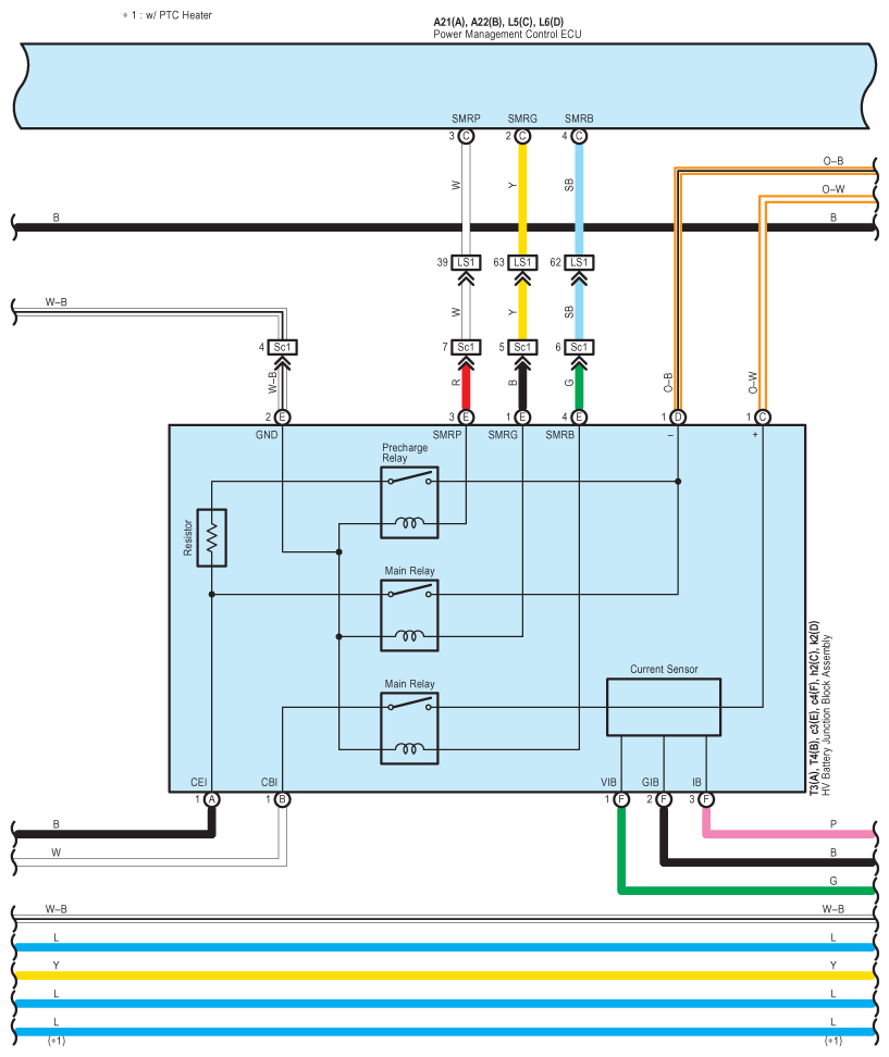
Fig 2: Hybrid System And Shift Control System Wiring Diagram (2 Of 28)
G09099306Courtesy of © TOYOTA, LICENSE AGREEMENT TMS1002
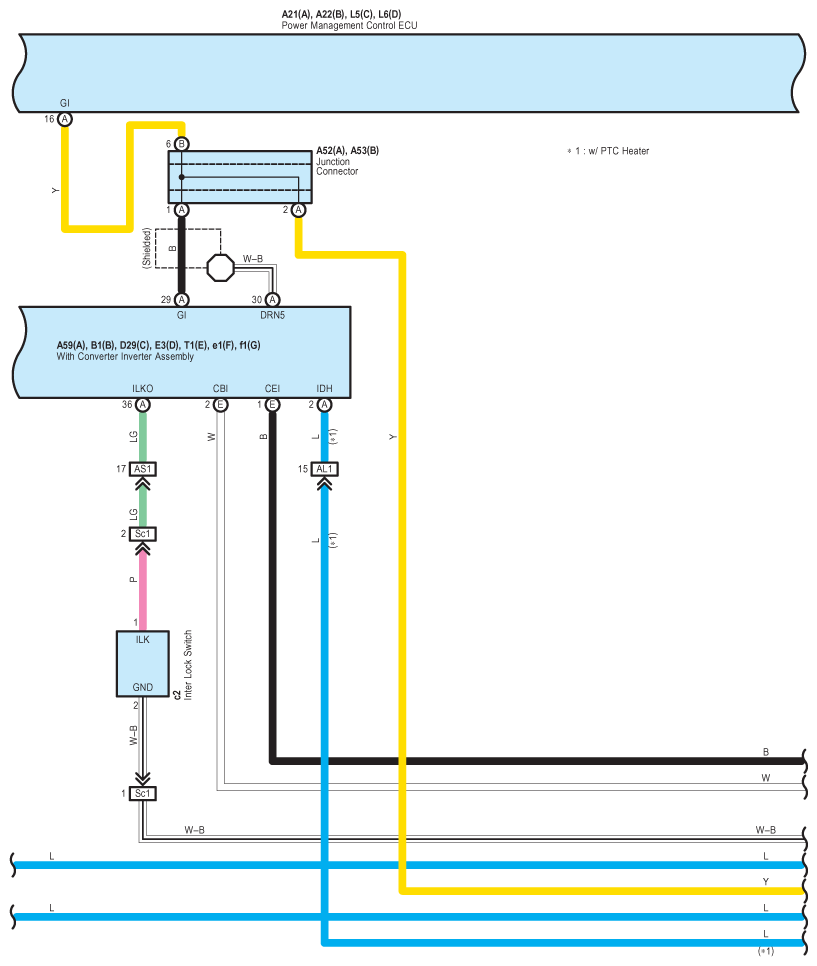
Fig 3: Hybrid System And Shift Control System Wiring Diagram (3 Of 28)
G09099307Courtesy of © TOYOTA, LICENSE AGREEMENT TMS1002
Fig 4: Hybrid System And Shift Control System Wiring Diagram (4 Of 28)
G09099308Courtesy of © TOYOTA, LICENSE AGREEMENT TMS1002
Fig 5: Hybrid System And Shift Control System Wiring Diagram (5 Of 28)
G09099309Courtesy of © TOYOTA, LICENSE AGREEMENT TMS1002
Fig 6: Hybrid System And Shift Control System Wiring Diagram (6 Of 28)
G09099310Courtesy of © TOYOTA, LICENSE AGREEMENT TMS1002
Fig 7: Hybrid System And Shift Control System Wiring Diagram (7 Of 28)
G09099311Courtesy of © TOYOTA, LICENSE AGREEMENT TMS1002
Fig 8: Hybrid System And Shift Control System Wiring Diagram (8 Of 28)
G09099312Courtesy of © TOYOTA, LICENSE AGREEMENT TMS1002
Fig 9: Hybrid System And Shift Control System Wiring Diagram (9 Of 28)
G09099313Courtesy of © TOYOTA, LICENSE AGREEMENT TMS1002
Fig 10: Hybrid System And Shift Control System Wiring Diagram (10 Of 28)
G09099314Courtesy of © TOYOTA, LICENSE AGREEMENT TMS1002
Fig 11: Hybrid System And Shift Control System Wiring Diagram (11 Of 28)
G09099315Courtesy of © TOYOTA, LICENSE AGREEMENT TMS1002
Fig 12: Hybrid System And Shift Control System Wiring Diagram (12 Of 28)
G09099316Courtesy of © TOYOTA, LICENSE AGREEMENT TMS1002
Fig 13: Hybrid System And Shift Control System Wiring Diagram (13 Of 28)
G09099317Courtesy of © TOYOTA, LICENSE AGREEMENT TMS1002
Fig 14: Hybrid System And Shift Control System Wiring Diagram (14 Of 28)
G09099318Courtesy of © TOYOTA, LICENSE AGREEMENT TMS1002
Fig 15: Hybrid System And Shift Control System Wiring Diagram (15 Of 28)
G09099319Courtesy of © TOYOTA, LICENSE AGREEMENT TMS1002
Fig 16: Hybrid System And Shift Control System Wiring Diagram (16 Of 28)
G09099320Courtesy of © TOYOTA, LICENSE AGREEMENT TMS1002
Fig 17: Hybrid System And Shift Control System Wiring Diagram (17 Of 28)
G09099321Courtesy of © TOYOTA, LICENSE AGREEMENT TMS1002
Fig 18: Hybrid System And Shift Control System Wiring Diagram (18 Of 28)
G09099322Courtesy of © TOYOTA, LICENSE AGREEMENT TMS1002
Fig 19: Hybrid System And Shift Control System Wiring Diagram (19 Of 28)
G09099323Courtesy of © TOYOTA, LICENSE AGREEMENT TMS1002
Fig 20: Hybrid System And Shift Control System Wiring Diagram (20 Of 28)
G09099324Courtesy of © TOYOTA, LICENSE AGREEMENT TMS1002
Fig 21: Hybrid System And Shift Control System Wiring Diagram (21 Of 28)
G09099325Courtesy of © TOYOTA, LICENSE AGREEMENT TMS1002
Fig 22: Hybrid System And Shift Control System Wiring Diagram (22 Of 28)
G09099326Courtesy of © TOYOTA, LICENSE AGREEMENT TMS1002
Fig 23: Hybrid System And Shift Control System Wiring Diagram (23 Of 28)
G09099327Courtesy of © TOYOTA, LICENSE AGREEMENT TMS1002
Fig 24: Hybrid System And Shift Control System Wiring Diagram (24 Of 28)
G09099328Courtesy of © TOYOTA, LICENSE AGREEMENT TMS1002
Fig 25: Hybrid System And Shift Control System Wiring Diagram (25 Of 28)
G09099329Courtesy of © TOYOTA, LICENSE AGREEMENT TMS1002
Fig 26: Hybrid System And Shift Control System Wiring Diagram (26 Of 28)
G09099330Courtesy of © TOYOTA, LICENSE AGREEMENT TMS1002
Fig 27: Hybrid System And Shift Control System Wiring Diagram (27 Of 28)
G09099331Courtesy of © TOYOTA, LICENSE AGREEMENT TMS1002
Fig 28: Hybrid System And Shift Control System Wiring Diagram (28 Of 28)
G09099332Courtesy of © TOYOTA, LICENSE AGREEMENT TMS1002