lemon-mirror:
Home >> Toyota >> 2013 >> Prius Two >> Repair and Diagnosis >> Electrical >> Body Electrical >> OEM System Circuits (Except Plug-In) >> Interior Light >> Notes

Interior Light: Notes

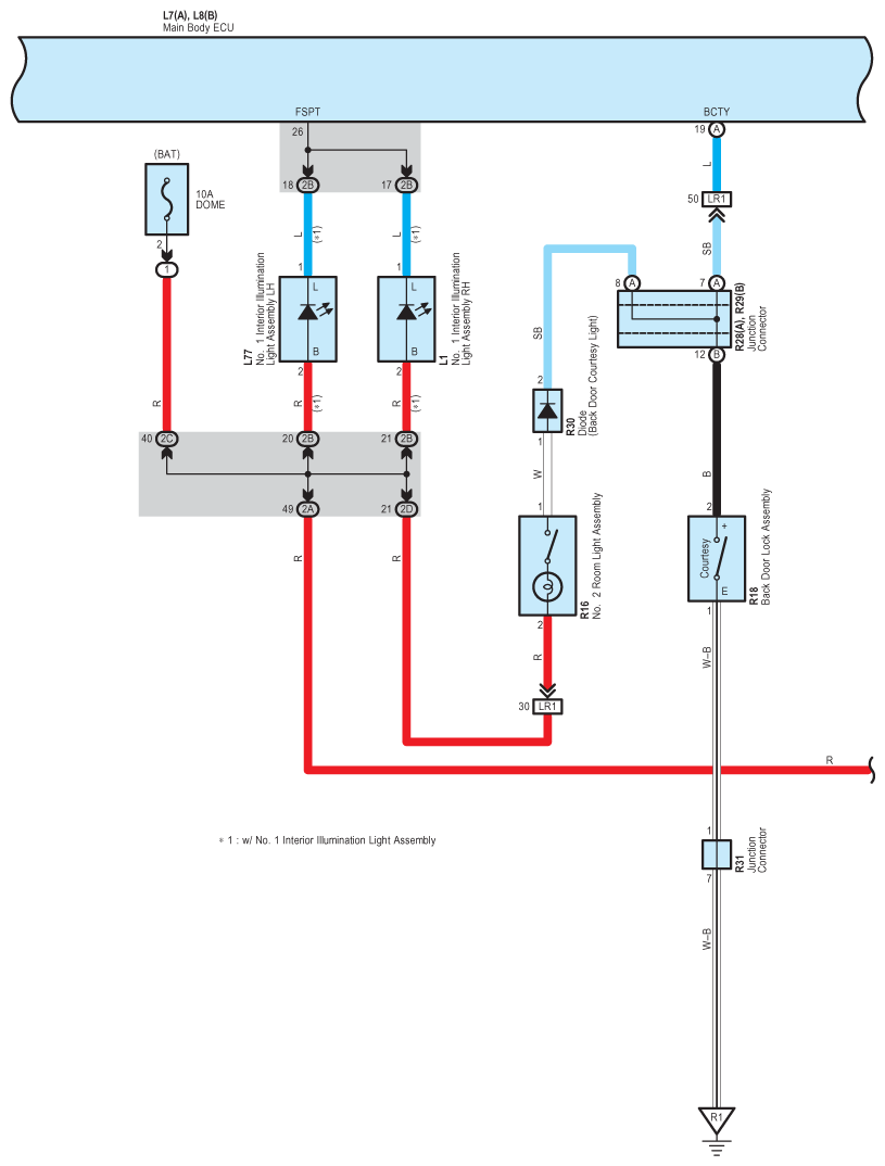
Fig 1: Interior Light System Wiring Diagram (1 Of 5)
G09099415Courtesy of © TOYOTA, LICENSE AGREEMENT TMS1002
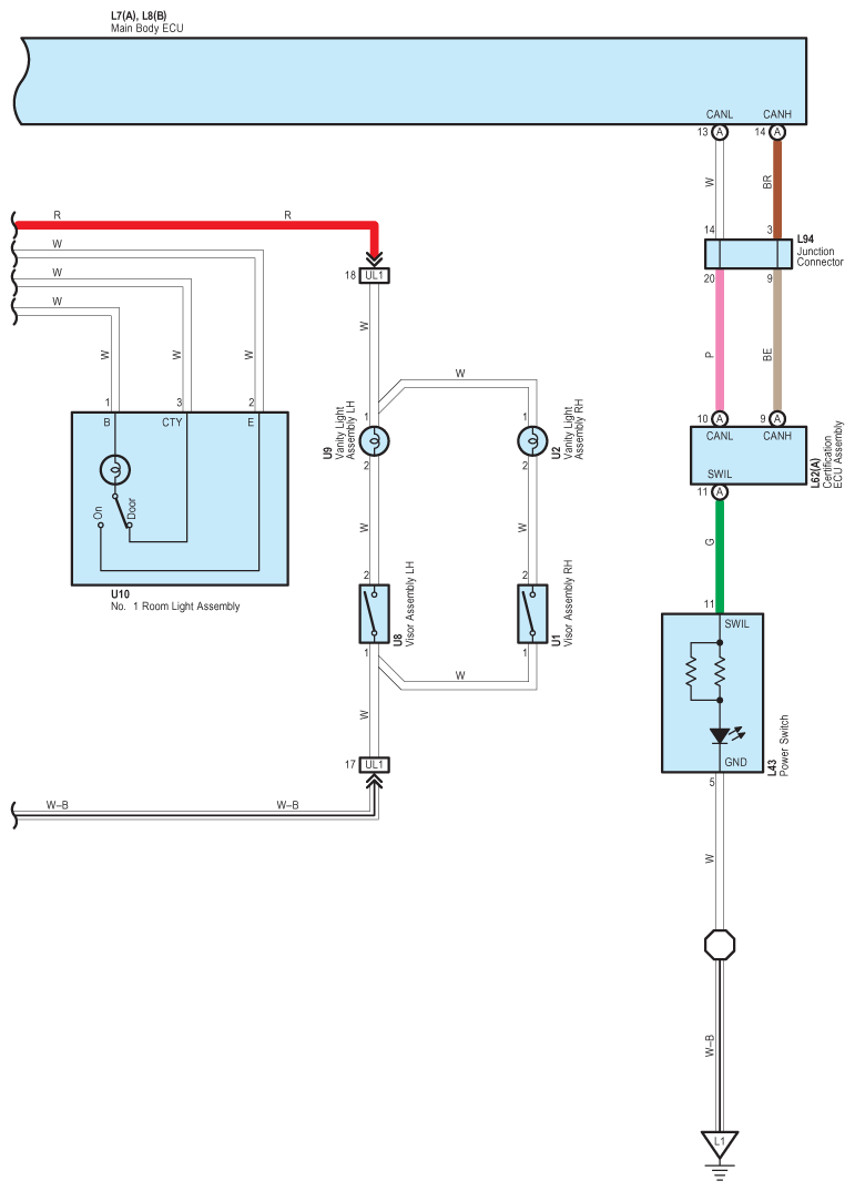
Fig 2: Interior Light System Wiring Diagram (2 Of 5)
G09099416Courtesy of © TOYOTA, LICENSE AGREEMENT TMS1002
Fig 3: Interior Light System Wiring Diagram (3 Of 5)
G09099417Courtesy of © TOYOTA, LICENSE AGREEMENT TMS1002
Fig 4: Interior Light System Wiring Diagram (4 Of 5)
G09099418Courtesy of © TOYOTA, LICENSE AGREEMENT TMS1002
Fig 5: Interior Light System Wiring Diagram (5 Of 5)
G09099419Courtesy of © TOYOTA, LICENSE AGREEMENT TMS1002