lemon-mirror:
Home >> Toyota >> 2013 >> Prius Two >> Repair and Diagnosis >> Electrical >> Body Electrical >> OEM System Circuits (Except Plug-In) >> Lane Keeping Assist >> Notes

Lane Keeping Assist: Notes

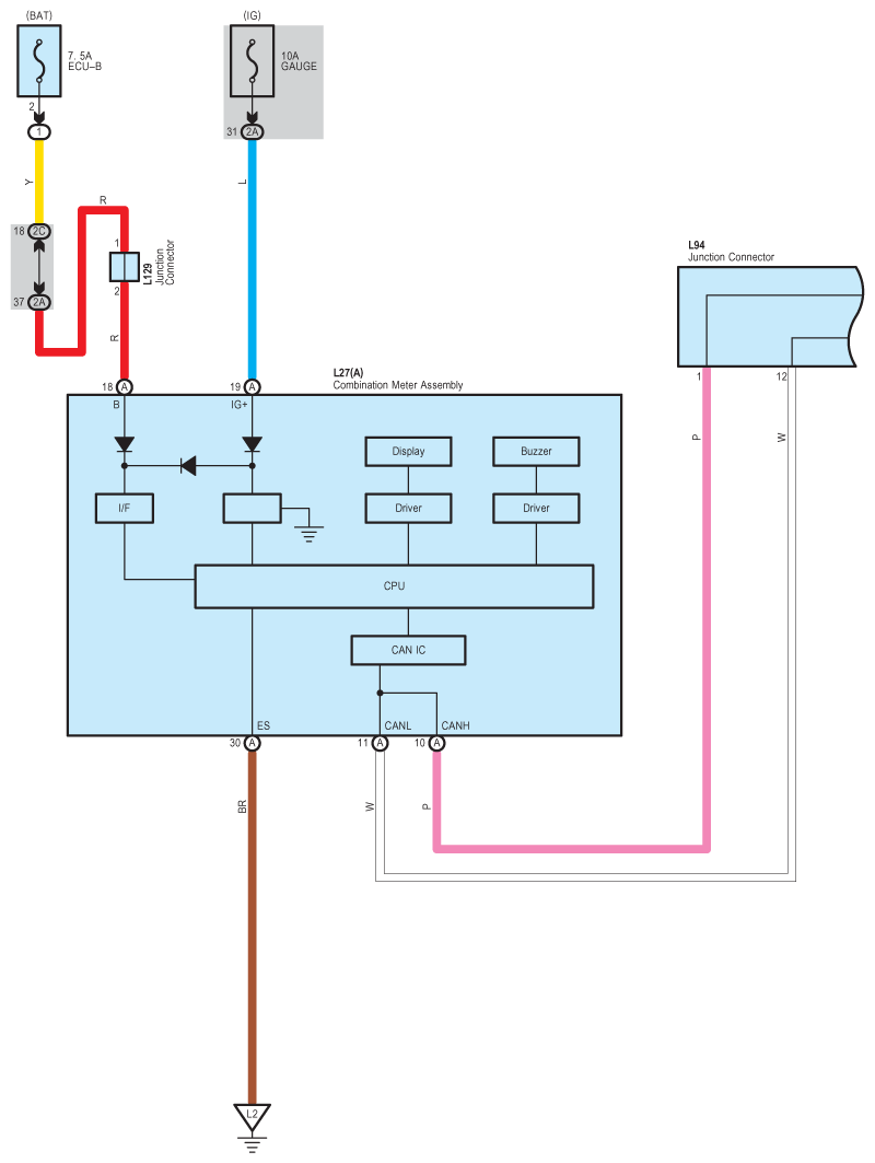
Fig 1: Lane Keeping Assist System Wiring Diagram (1 Of 9)
G09099469Courtesy of © TOYOTA, LICENSE AGREEMENT TMS1002
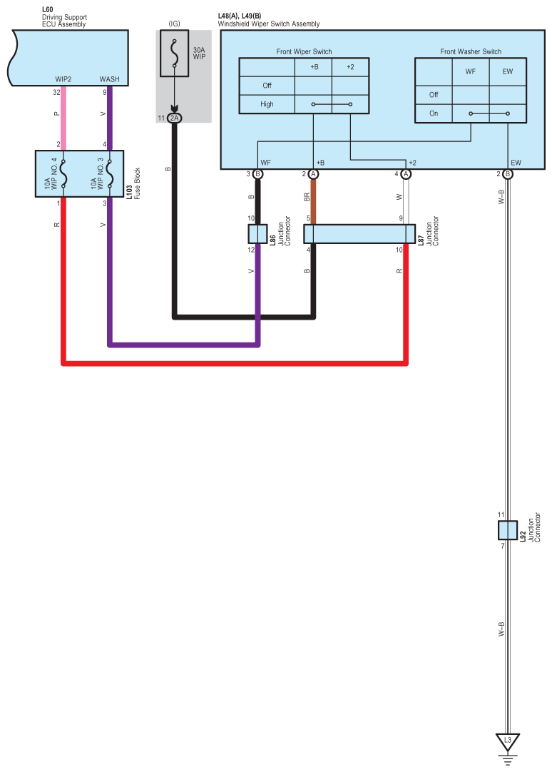
Fig 2: Lane Keeping Assist System Wiring Diagram (2 Of 9)
G09099470Courtesy of © TOYOTA, LICENSE AGREEMENT TMS1002
Fig 3: Lane Keeping Assist System Wiring Diagram (3 Of 9)
G09099471Courtesy of © TOYOTA, LICENSE AGREEMENT TMS1002
Fig 4: Lane Keeping Assist System Wiring Diagram (4 Of 9)
G09099472Courtesy of © TOYOTA, LICENSE AGREEMENT TMS1002
Fig 5: Lane Keeping Assist System Wiring Diagram (5 Of 9)
G09099473Courtesy of © TOYOTA, LICENSE AGREEMENT TMS1002
Fig 6: Lane Keeping Assist System Wiring Diagram (6 Of 9)
G09099474Courtesy of © TOYOTA, LICENSE AGREEMENT TMS1002
Fig 7: Lane Keeping Assist System Wiring Diagram (7 Of 9)
G09099475Courtesy of © TOYOTA, LICENSE AGREEMENT TMS1002
Fig 8: Lane Keeping Assist System Wiring Diagram (8 Of 9)
G09099476Courtesy of © TOYOTA, LICENSE AGREEMENT TMS1002
Fig 9: Lane Keeping Assist System Wiring Diagram (9 Of 9)
G09099477Courtesy of © TOYOTA, LICENSE AGREEMENT TMS1002