lemon-mirror:
Home >> Toyota >> 2013 >> Prius Two >> Repair and Diagnosis >> Electrical >> Body Electrical >> OEM System Circuits (Except Plug-In) >> Power Source >> Notes

Power Source: Notes

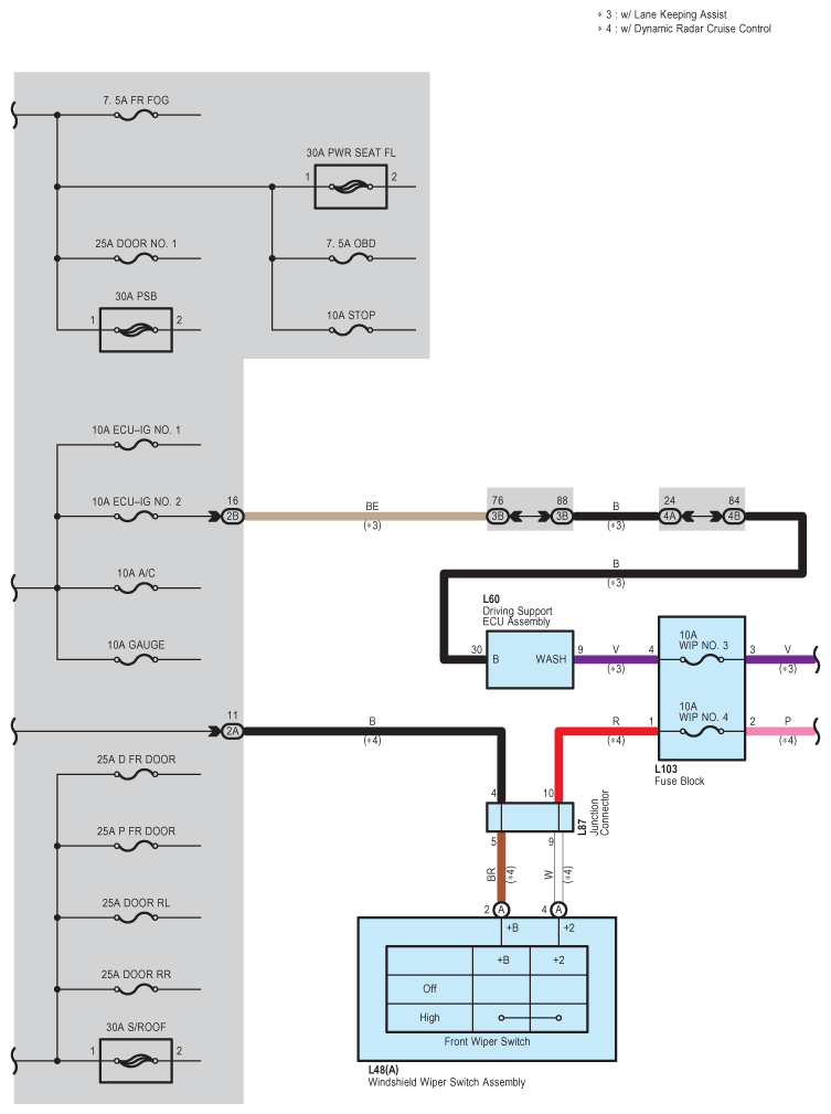
Fig 1: Power Source System Wiring Diagram (1 Of 6)
G09099297Courtesy of © TOYOTA, LICENSE AGREEMENT TMS1002
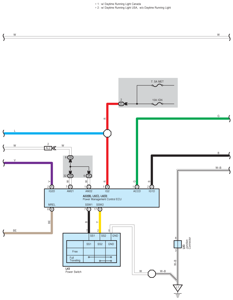
Fig 2: Power Source System Wiring Diagram (2 Of 6)
G09099298Courtesy of © TOYOTA, LICENSE AGREEMENT TMS1002
Fig 3: Power Source System Wiring Diagram (3 Of 6)
G09099299Courtesy of © TOYOTA, LICENSE AGREEMENT TMS1002
Fig 4: Power Source System Wiring Diagram (4 Of 6)
G09099300Courtesy of © TOYOTA, LICENSE AGREEMENT TMS1002
Fig 5: Power Source System Wiring Diagram (5 Of 6)
G09099301Courtesy of © TOYOTA, LICENSE AGREEMENT TMS1002
Fig 6: Power Source System Wiring Diagram (6 Of 6)
G09099302Courtesy of © TOYOTA, LICENSE AGREEMENT TMS1002