lemon-mirror:
Home >> Toyota >> 2013 >> Prius Two >> Repair and Diagnosis >> Electrical >> Body Electrical >> OEM System Circuits (Except Plug-In) >> Remote Control Mirror >> Notes

Remote Control Mirror: Notes

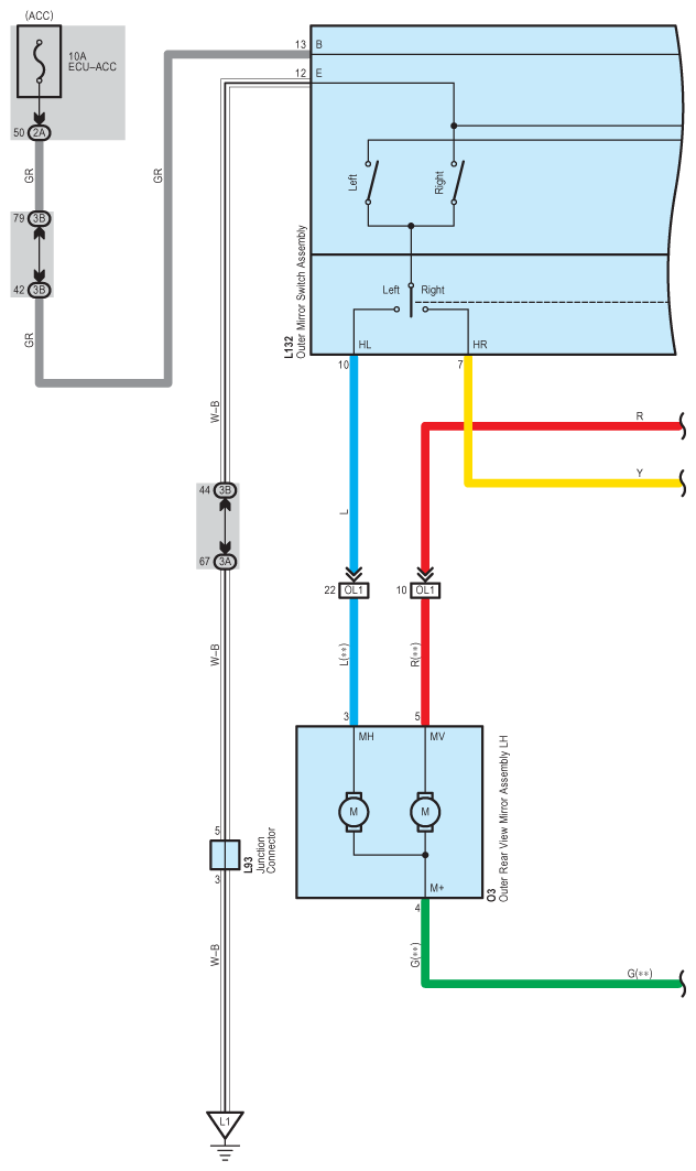
Fig 1: Remote Control Mirror System Wiring Diagram (1 Of 2)
G09099492Courtesy of © TOYOTA, LICENSE AGREEMENT TMS1002
Fig 2: Remote Control Mirror System Wiring Diagram (2 Of 2)
G09099493Courtesy of © TOYOTA, LICENSE AGREEMENT TMS1002