lemon-mirror:
Home >> Toyota >> 2013 >> Prius V >> Repair and Diagnosis >> Electrical >> Body Electrical >> OEM System Circuits >> Fog Light >> Notes

Fog Light: Notes

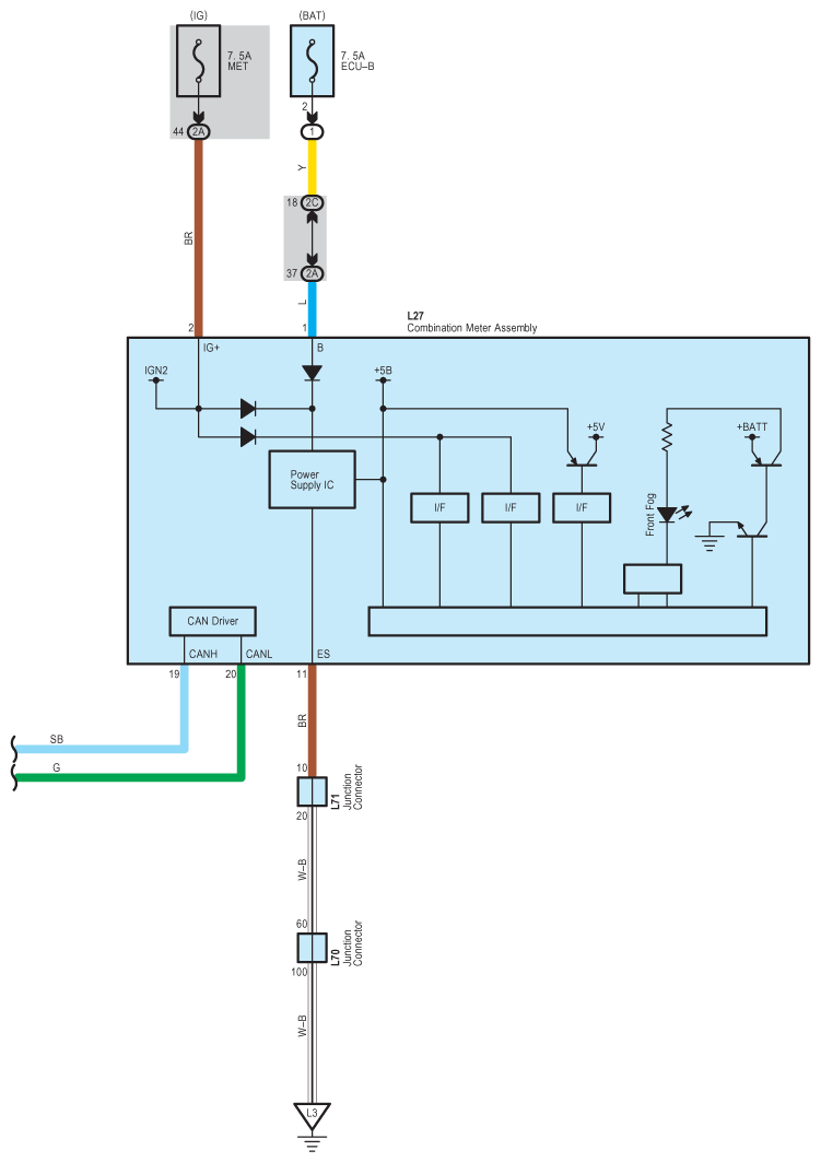
Fig 1: Fog Light System Wiring Diagram (1 Of 4)
G09109786Courtesy of © TOYOTA, LICENSE AGREEMENT TMS1002
Fig 2: Fog Light System Wiring Diagram (2 Of 4)
G09109787Courtesy of © TOYOTA, LICENSE AGREEMENT TMS1002
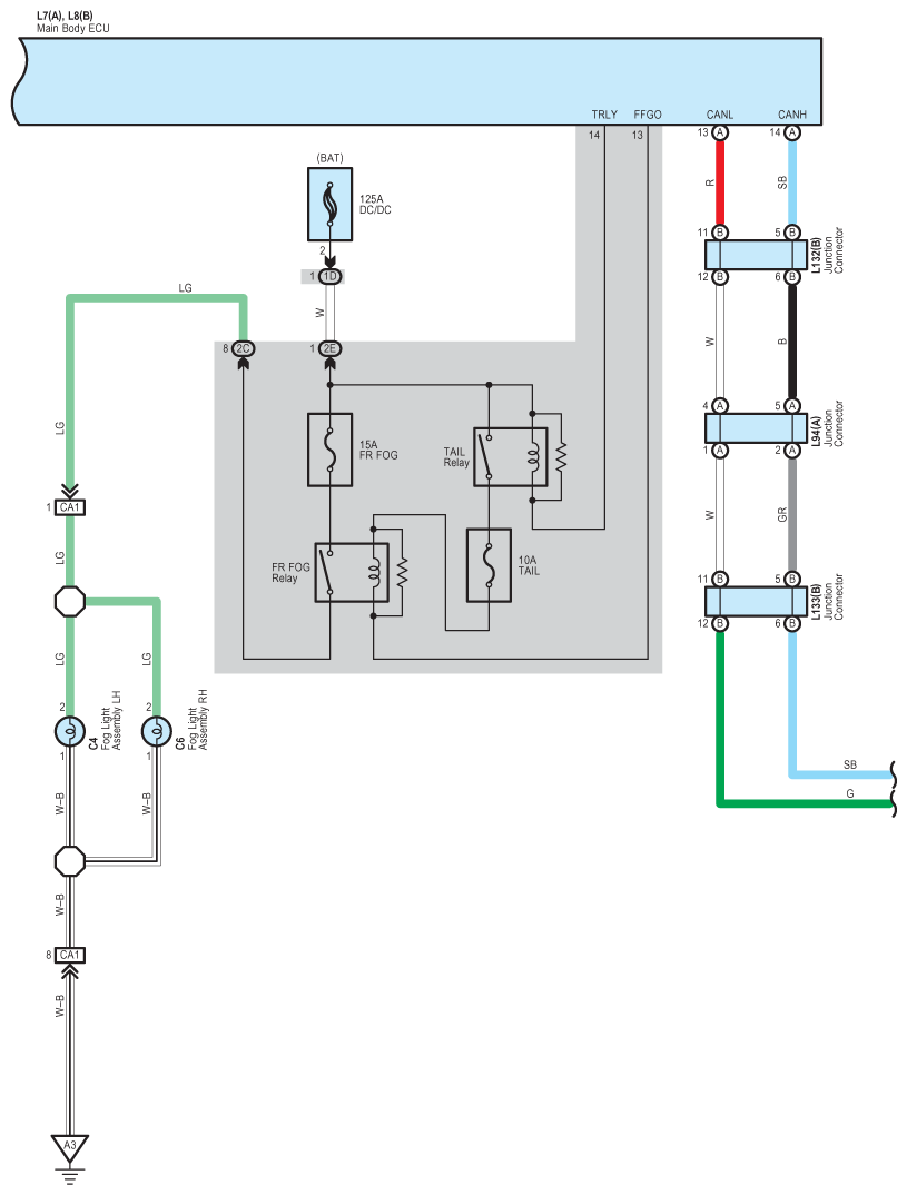
Fig 3: Fog Light System Wiring Diagram (3 Of 4)
G09109788Courtesy of © TOYOTA, LICENSE AGREEMENT TMS1002
Fig 4: Fog Light System Wiring Diagram (4 Of 4)
G09109789Courtesy of © TOYOTA, LICENSE AGREEMENT TMS1002