lemon-mirror:
Home >> Toyota >> 2013 >> Prius V >> Repair and Diagnosis >> Electrical >> Body Electrical >> OEM System Circuits >> Headlight Beam Level Control >> Notes

Headlight Beam Level Control: Notes

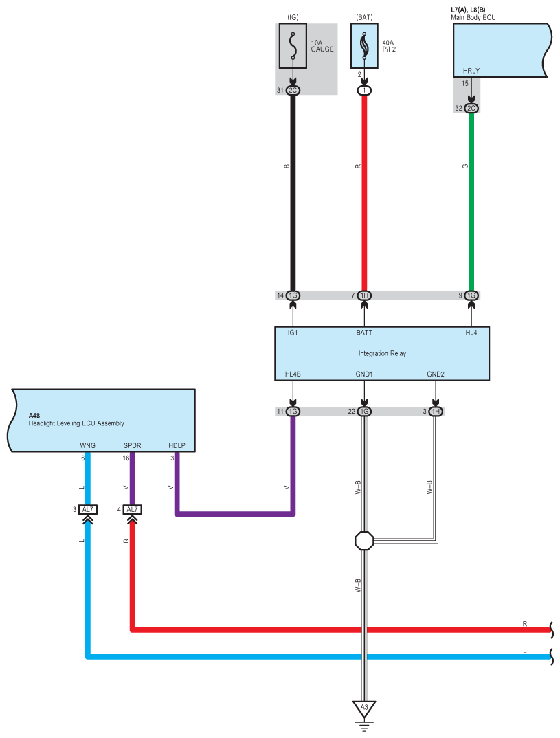
Fig 1: Headlight Beam Level Control System Wiring Diagram (1 Of 5)
G09109805Courtesy of © TOYOTA, LICENSE AGREEMENT TMS1002
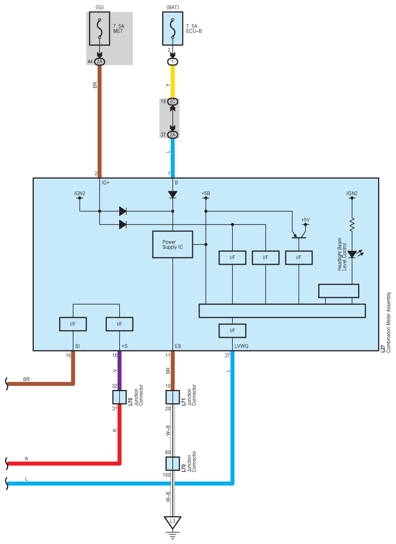
Fig 2: Headlight Beam Level Control System Wiring Diagram (2 Of 5)
G09109806Courtesy of © TOYOTA, LICENSE AGREEMENT TMS1002
Fig 3: Headlight Beam Level Control System Wiring Diagram (3 Of 5)
G09109807Courtesy of © TOYOTA, LICENSE AGREEMENT TMS1002
Fig 4: Headlight Beam Level Control System Wiring Diagram (4 Of 5)
G09109808Courtesy of © TOYOTA, LICENSE AGREEMENT TMS1002
Fig 5: Headlight Beam Level Control System Wiring Diagram (5 Of 5)
G09109809Courtesy of © TOYOTA, LICENSE AGREEMENT TMS1002