lemon-mirror:
Home >> Toyota >> 2013 >> Prius V >> Repair and Diagnosis >> Electrical >> Body Electrical >> OEM System Circuits >> Headlight >> Notes

OEM System Circuits: Headlight: Notes

Fig 1: Headlight System Wiring Diagram (1 Of 6)
G09109777Courtesy of © TOYOTA, LICENSE AGREEMENT TMS1002
Fig 2: Headlight System Wiring Diagram (2 Of 6)
G09109778Courtesy of © TOYOTA, LICENSE AGREEMENT TMS1002
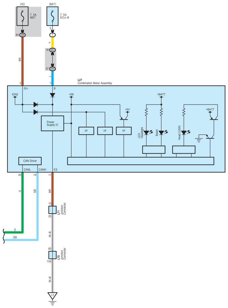
Fig 3: Headlight System Wiring Diagram (3 Of 6)
G09109779Courtesy of © TOYOTA, LICENSE AGREEMENT TMS1002
Fig 4: Headlight System Wiring Diagram (4 Of 6)
G09109780Courtesy of © TOYOTA, LICENSE AGREEMENT TMS1002
Fig 5: Headlight System Wiring Diagram (5 Of 6)
G09109781Courtesy of © TOYOTA, LICENSE AGREEMENT TMS1002
Fig 6: Headlight System Wiring Diagram (6 Of 6)
G09109782Courtesy of © TOYOTA, LICENSE AGREEMENT TMS1002