lemon-mirror:
Home >> Toyota >> 2013 >> Prius V >> Repair and Diagnosis >> Electrical >> Body Electrical >> OEM System Circuits >> Hybrid System and Shift Control System >> Notes

Hybrid System and Shift Control System: Notes

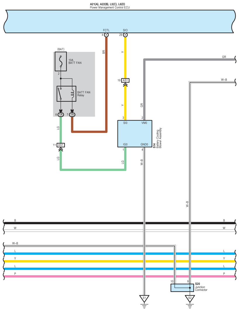
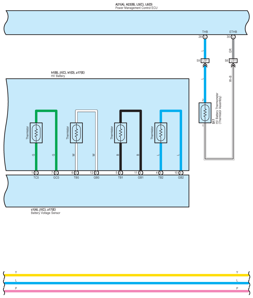
Fig 1: Hybrid And Shift Control System Wiring Diagram (1 Of 28)
G09109692Courtesy of © TOYOTA, LICENSE AGREEMENT TMS1002
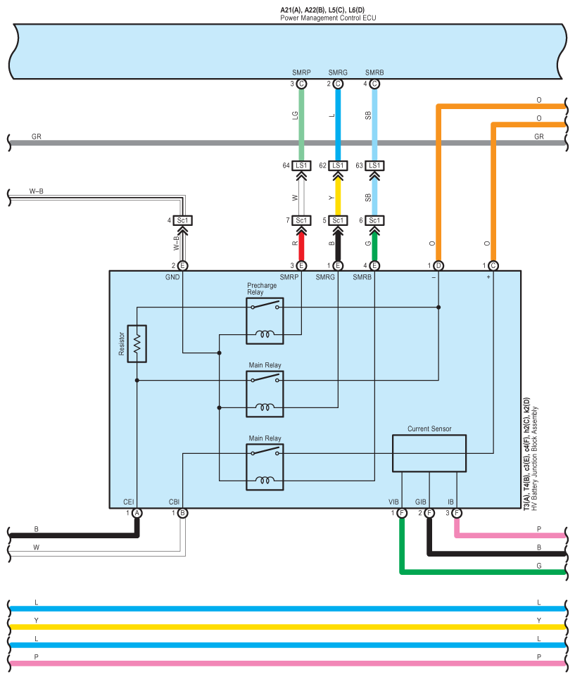
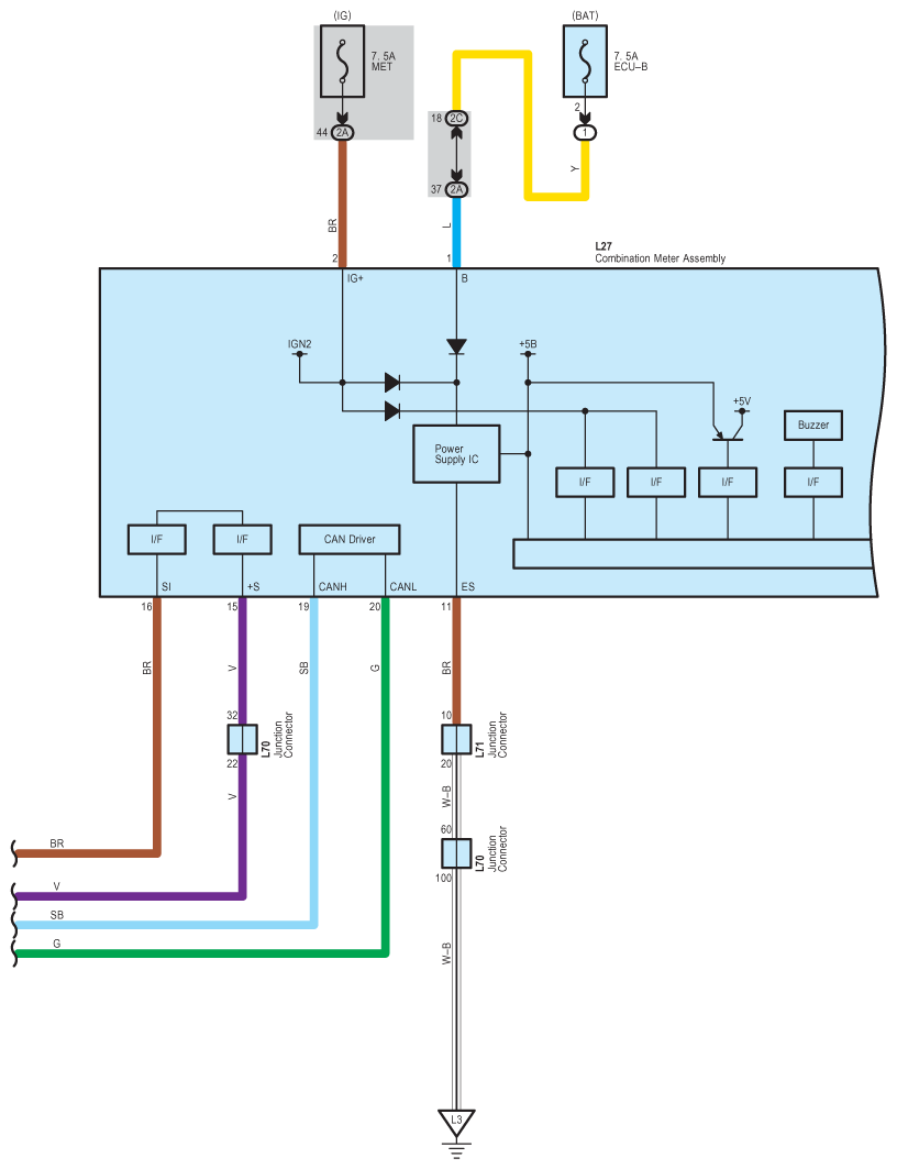
Fig 2: Hybrid And Shift Control System Wiring Diagram (2 Of 28)
G09109693Courtesy of © TOYOTA, LICENSE AGREEMENT TMS1002
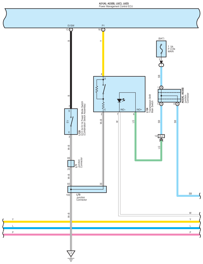
Fig 3: Hybrid And Shift Control System Wiring Diagram (3 Of 28)
G09109694Courtesy of © TOYOTA, LICENSE AGREEMENT TMS1002
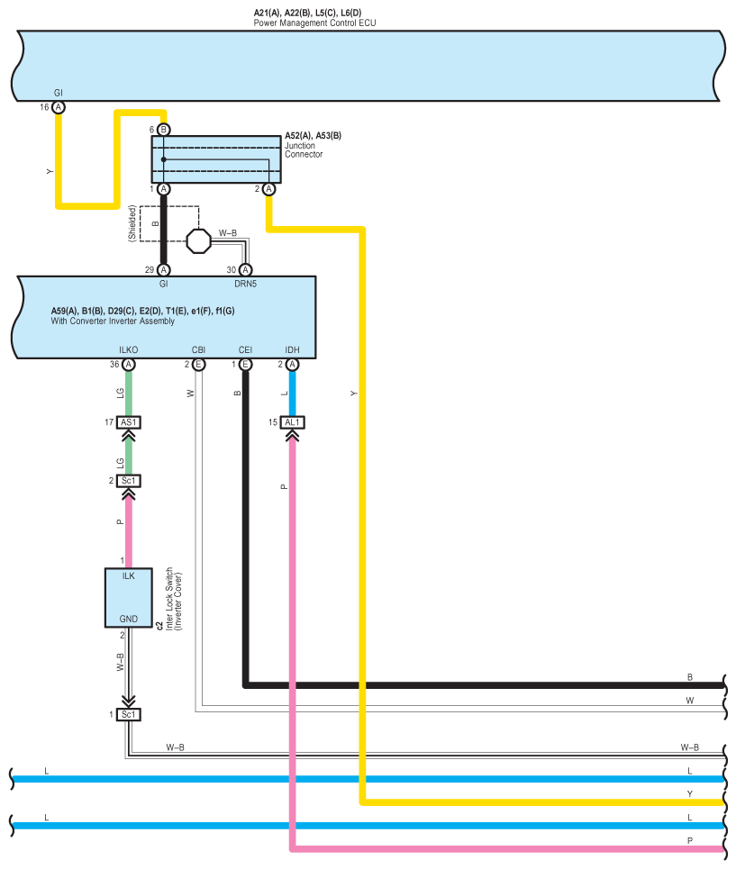
Fig 4: Hybrid And Shift Control System Wiring Diagram (4 Of 28)
G09109695Courtesy of © TOYOTA, LICENSE AGREEMENT TMS1002
Fig 5: Hybrid And Shift Control System Wiring Diagram (5 Of 28)
G09109696Courtesy of © TOYOTA, LICENSE AGREEMENT TMS1002
Fig 6: Hybrid And Shift Control System Wiring Diagram (6 Of 28)
G09109697Courtesy of © TOYOTA, LICENSE AGREEMENT TMS1002
Fig 7: Hybrid And Shift Control System Wiring Diagram (7 Of 28)
G09109698Courtesy of © TOYOTA, LICENSE AGREEMENT TMS1002
Fig 8: Hybrid And Shift Control System Wiring Diagram (8 Of 28)
G09109699Courtesy of © TOYOTA, LICENSE AGREEMENT TMS1002
Fig 9: Hybrid And Shift Control System Wiring Diagram (9 Of 28)
G09109700Courtesy of © TOYOTA, LICENSE AGREEMENT TMS1002
Fig 10: Hybrid And Shift Control System Wiring Diagram (10 Of 28)
G09109701Courtesy of © TOYOTA, LICENSE AGREEMENT TMS1002
Fig 11: Hybrid And Shift Control System Wiring Diagram (11 Of 28)
G09109702Courtesy of © TOYOTA, LICENSE AGREEMENT TMS1002
Fig 12: Hybrid And Shift Control System Wiring Diagram (12 Of 28)
G09109703Courtesy of © TOYOTA, LICENSE AGREEMENT TMS1002
Fig 13: Hybrid And Shift Control System Wiring Diagram (13 Of 28)
G09109704Courtesy of © TOYOTA, LICENSE AGREEMENT TMS1002
Fig 14: Hybrid And Shift Control System Wiring Diagram (14 Of 28)
G09109705Courtesy of © TOYOTA, LICENSE AGREEMENT TMS1002
Fig 15: Hybrid And Shift Control System Wiring Diagram (15 Of 28)
G09109706Courtesy of © TOYOTA, LICENSE AGREEMENT TMS1002
Fig 16: Hybrid And Shift Control System Wiring Diagram (16 Of 28)
G09109707Courtesy of © TOYOTA, LICENSE AGREEMENT TMS1002
Fig 17: Hybrid And Shift Control System Wiring Diagram (17 Of 28)
G09109708Courtesy of © TOYOTA, LICENSE AGREEMENT TMS1002
Fig 18: Hybrid And Shift Control System Wiring Diagram (18 Of 28)
G09109709Courtesy of © TOYOTA, LICENSE AGREEMENT TMS1002
Fig 19: Hybrid And Shift Control System Wiring Diagram (19 Of 28)
G09109710Courtesy of © TOYOTA, LICENSE AGREEMENT TMS1002
Fig 20: Hybrid And Shift Control System Wiring Diagram (20 Of 28)
G09109711Courtesy of © TOYOTA, LICENSE AGREEMENT TMS1002
Fig 21: Hybrid And Shift Control System Wiring Diagram (21 Of 28)
G09109712Courtesy of © TOYOTA, LICENSE AGREEMENT TMS1002
Fig 22: Hybrid And Shift Control System Wiring Diagram (22 Of 28)
G09109713Courtesy of © TOYOTA, LICENSE AGREEMENT TMS1002
Fig 23: Hybrid And Shift Control System Wiring Diagram (23 Of 28)
G09109714Courtesy of © TOYOTA, LICENSE AGREEMENT TMS1002
Fig 24: Hybrid And Shift Control System Wiring Diagram (24 Of 28)
G09109715Courtesy of © TOYOTA, LICENSE AGREEMENT TMS1002
Fig 25: Hybrid And Shift Control System Wiring Diagram (25 Of 28)
G09109716Courtesy of © TOYOTA, LICENSE AGREEMENT TMS1002
Fig 26: Hybrid And Shift Control System Wiring Diagram (26 Of 28)
G09109717Courtesy of © TOYOTA, LICENSE AGREEMENT TMS1002
Fig 27: Hybrid And Shift Control System Wiring Diagram (27 Of 28)
G09109718Courtesy of © TOYOTA, LICENSE AGREEMENT TMS1002
Fig 28: Hybrid And Shift Control System Wiring Diagram (28 Of 28)
G09109719Courtesy of © TOYOTA, LICENSE AGREEMENT TMS1002