lemon-mirror:
Home >> Toyota >> 2013 >> Prius V >> Repair and Diagnosis >> Electrical >> Body Electrical >> OEM System Circuits >> Power Window >> Notes

Power Window: Notes

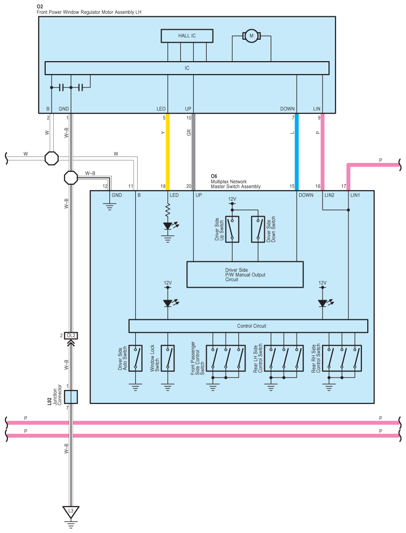
Fig 1: Power Window System Wiring Diagram (1 Of 5)
G09109859Courtesy of © TOYOTA, LICENSE AGREEMENT TMS1002
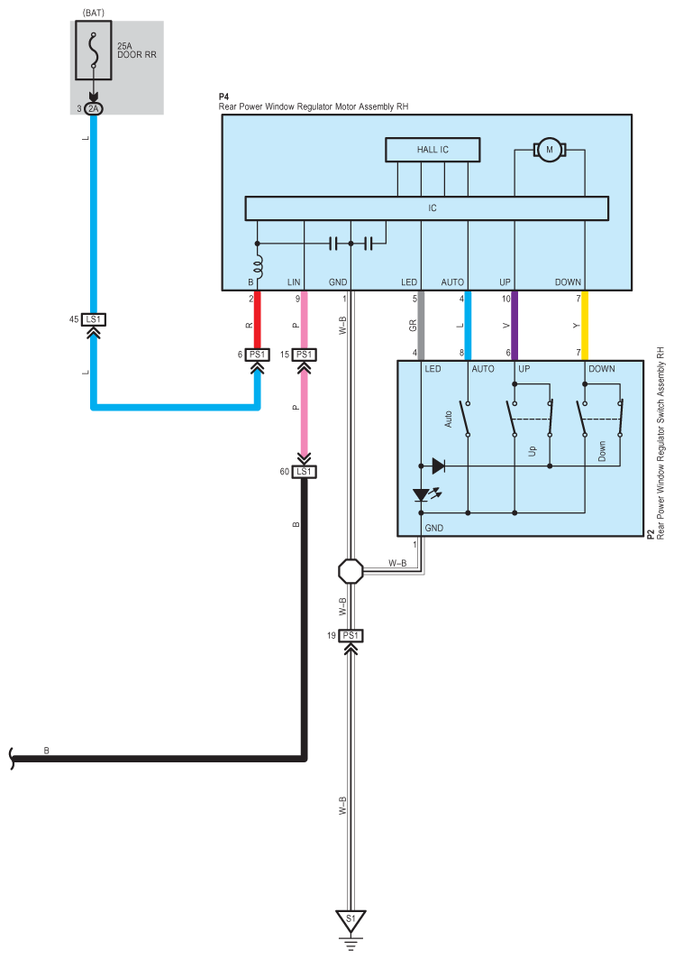
Fig 2: Power Window System Wiring Diagram (2 Of 5)
G09109860Courtesy of © TOYOTA, LICENSE AGREEMENT TMS1002
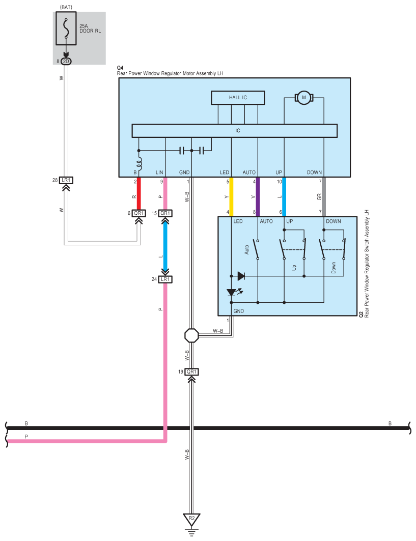
Fig 3: Power Window System Wiring Diagram (3 Of 5)
G09109861Courtesy of © TOYOTA, LICENSE AGREEMENT TMS1002
Fig 4: Power Window System Wiring Diagram (4 Of 5)
G09109862Courtesy of © TOYOTA, LICENSE AGREEMENT TMS1002
Fig 5: Power Window System Wiring Diagram (5 Of 5)
G09109863Courtesy of © TOYOTA, LICENSE AGREEMENT TMS1002