lemon-mirror:
Home >> Toyota >> 2013 >> Prius V >> Repair and Diagnosis >> Electrical >> Body Electrical >> OEM System Circuits >> Remote Control Mirror >> Notes

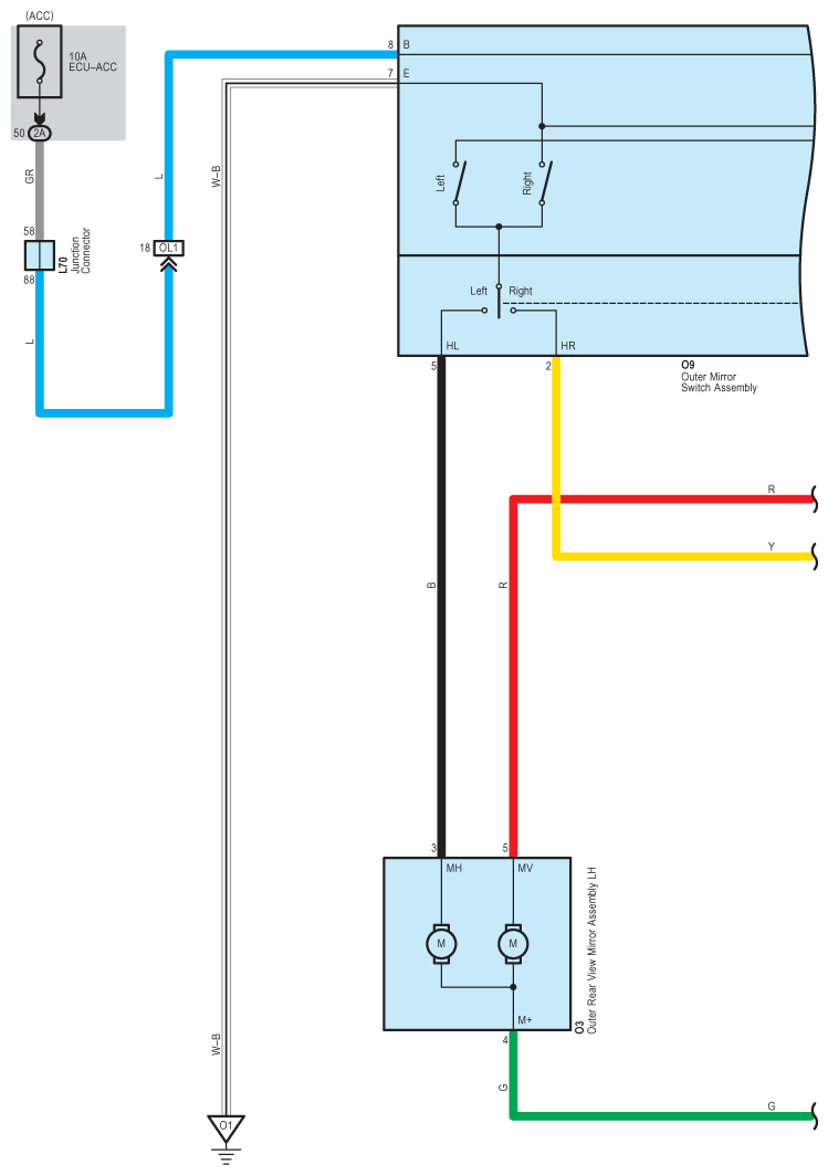
Remote Control Mirror: Notes

Fig 1: Remote Control Mirror System Wiring Diagram (1 Of 2)
G09109864Courtesy of © TOYOTA, LICENSE AGREEMENT TMS1002
Fig 2: Remote Control Mirror System Wiring Diagram (2 Of 2)
G09109865Courtesy of © TOYOTA, LICENSE AGREEMENT TMS1002