lemon-mirror:
Home >> Toyota >> 2013 >> Prius V >> Repair and Diagnosis >> Electrical >> Body Electrical >> OEM System Circuits >> Roof Sunshade System >> Notes

Roof Sunshade System: Notes

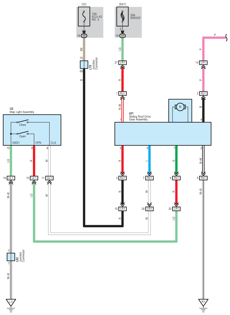
Fig 1: Roof Sunshade System Wiring Diagram (1 Of 2)
G09109866Courtesy of © TOYOTA, LICENSE AGREEMENT TMS1002
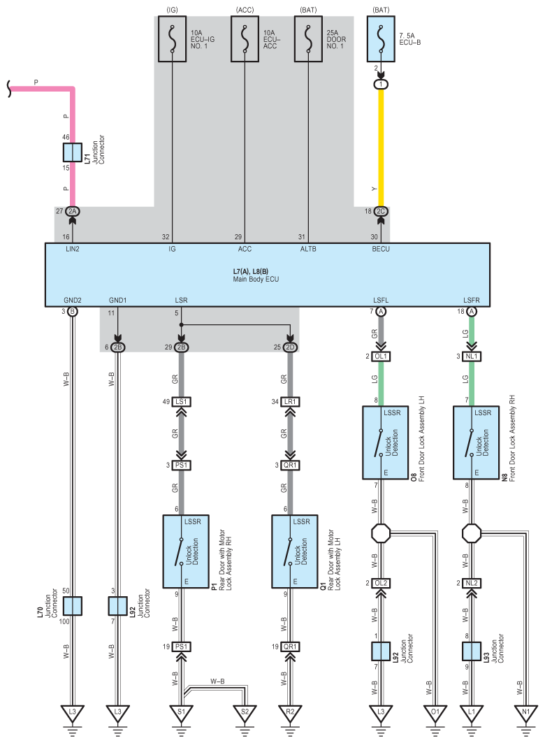
Fig 2: Roof Sunshade System Wiring Diagram (2 Of 2)
G09109867Courtesy of © TOYOTA, LICENSE AGREEMENT TMS1002