lemon-mirror:
Home >> Toyota >> 2013 >> RAV4 EV >> Repair and Diagnosis >> Electrical >> Body Electrical >> OEM System Circuits >> Cooling Fan >> Notes

Cooling Fan: Notes

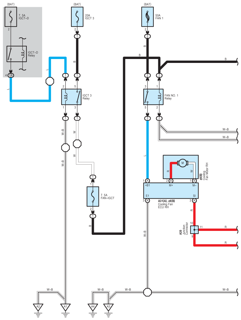
Fig 1: Cooling Fan System Wiring Diagram (1 Of 4)
G09110618Courtesy of © TOYOTA, LICENSE AGREEMENT TMS1002
Fig 2: Cooling Fan System Wiring Diagram (2 Of 4)
G09110619Courtesy of © TOYOTA, LICENSE AGREEMENT TMS1002
Fig 3: Cooling Fan System Wiring Diagram (3 Of 4)
G09110620Courtesy of © TOYOTA, LICENSE AGREEMENT TMS1002
Fig 4: Cooling Fan System Wiring Diagram (4 Of 4)
G09110621Courtesy of © TOYOTA, LICENSE AGREEMENT TMS1002