lemon-mirror:
Home >> Toyota >> 2013 >> RAV4 EV >> Repair and Diagnosis >> Electrical >> Body Electrical >> OEM System Circuits >> Door Lock Control >> Notes

Door Lock Control: Notes

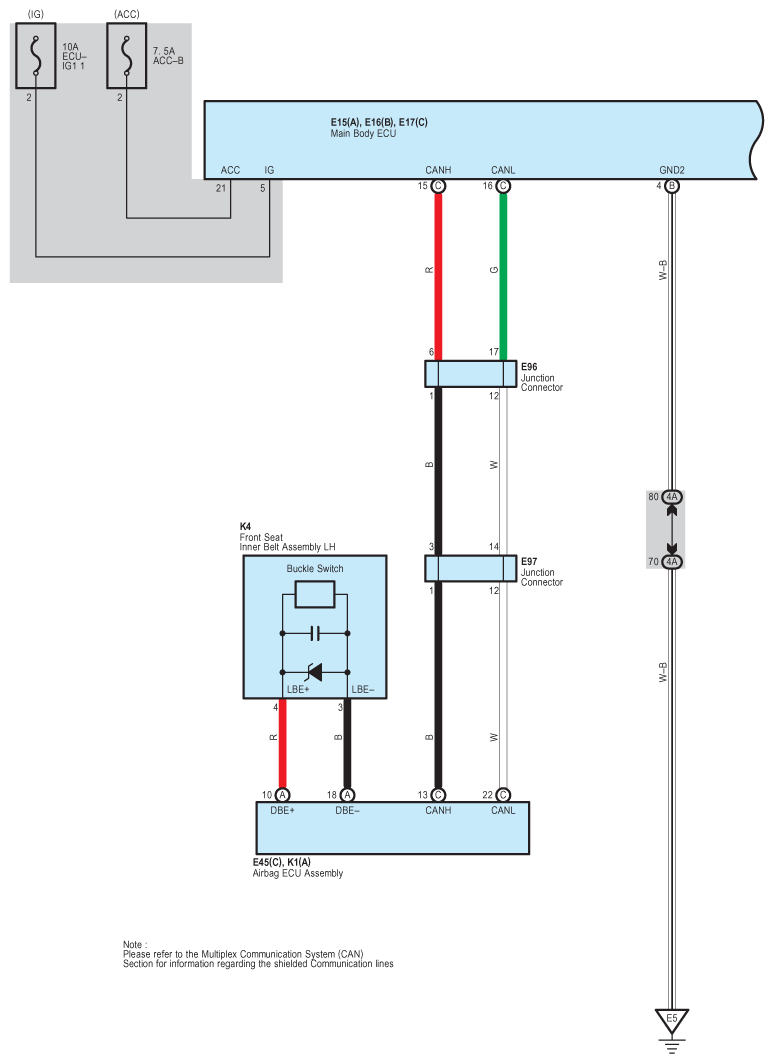
Fig 1: Door Lock Control Wiring Diagram (1 Of 4)
G09110564Courtesy of © TOYOTA, LICENSE AGREEMENT TMS1002
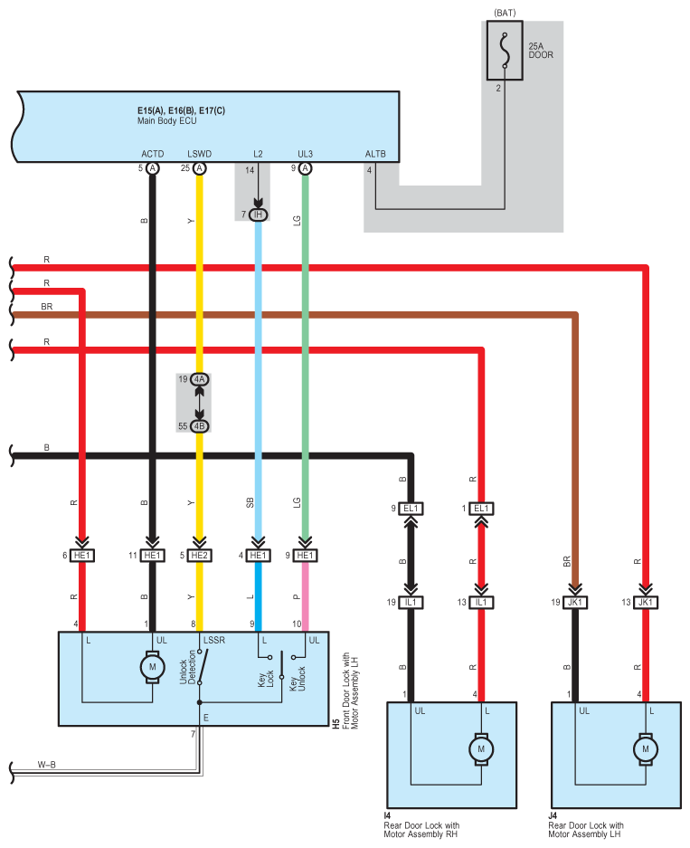
Fig 2: Door Lock Control Wiring Diagram (2 Of 4)
G09110565Courtesy of © TOYOTA, LICENSE AGREEMENT TMS1002
Fig 3: Door Lock Control Wiring Diagram (3 Of 4)
G09110566Courtesy of © TOYOTA, LICENSE AGREEMENT TMS1002
Fig 4: Door Lock Control Wiring Diagram (4 Of 4)
G09110567Courtesy of © TOYOTA, LICENSE AGREEMENT TMS1002