lemon-mirror:
Home >> Toyota >> 2013 >> RAV4 EV >> Repair and Diagnosis >> Electrical >> Body Electrical >> OEM System Circuits >> SRS >> Notes

OEM System Circuits: SRS: Notes

NOTE: When inspecting or repairing the SRS, perform service in accordance with the following precautionary instructions and the procedure.
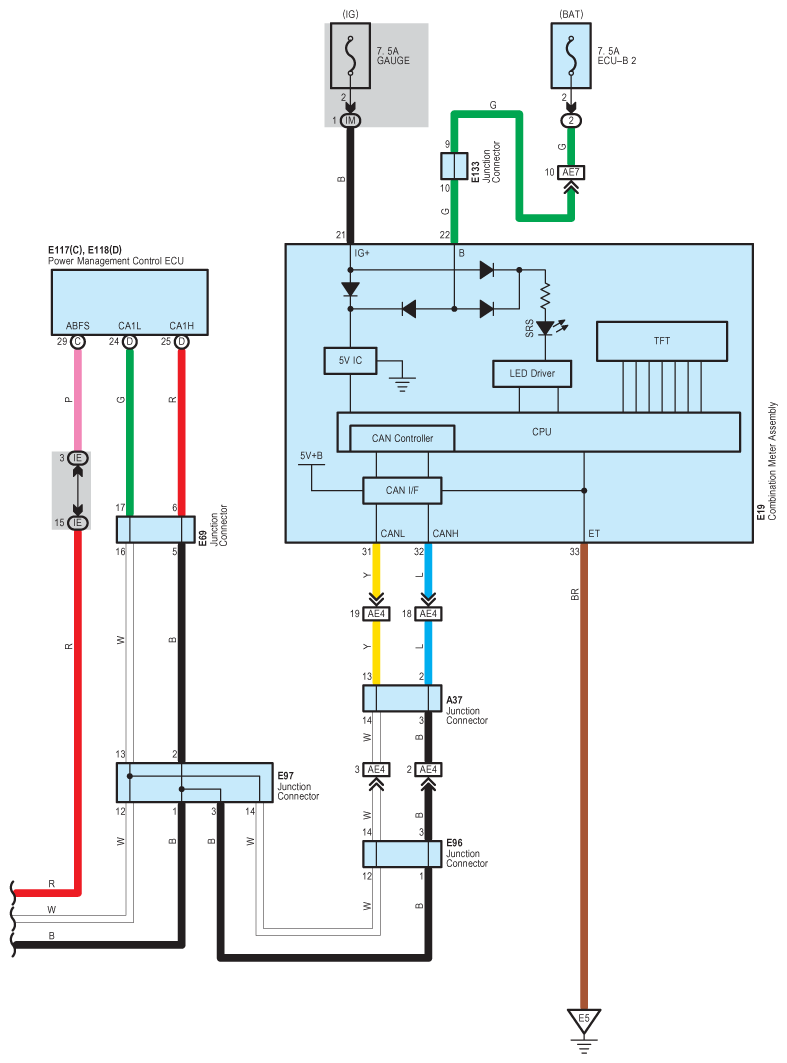
Fig 2: SRS System Wiring Diagram (1 Of 4)
G09110582Courtesy of © TOYOTA, LICENSE AGREEMENT TMS1002
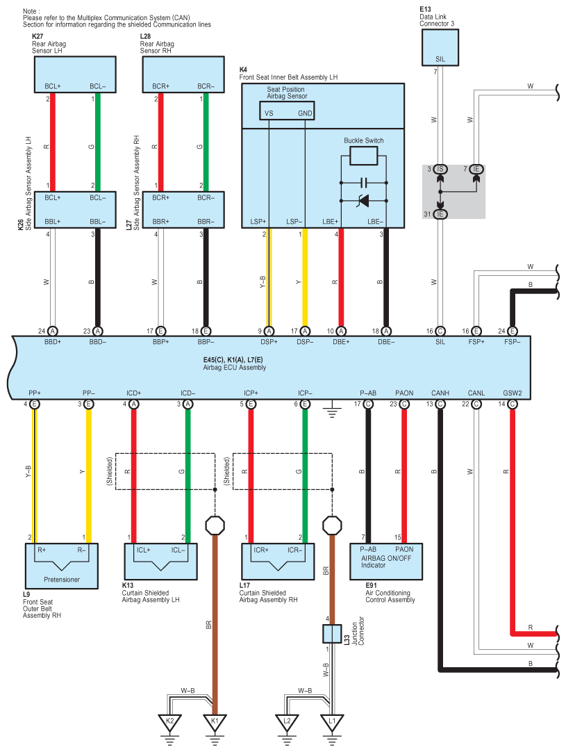
Fig 3: SRS System Wiring Diagram (2 Of 4)
G09110583Courtesy of © TOYOTA, LICENSE AGREEMENT TMS1002
Fig 4: SRS System Wiring Diagram (3 Of 4)
G09110584Courtesy of © TOYOTA, LICENSE AGREEMENT TMS1002
Fig 5: SRS System Wiring Diagram (4 Of 4)
G09110585Courtesy of © TOYOTA, LICENSE AGREEMENT TMS1002