lemon-mirror:
Home >> Toyota >> 2013 >> RAV4 EV >> Repair and Diagnosis >> Electrical >> Body Electrical >> OEM System Circuits >> Safety Connect >> Notes

Safety Connect: Notes

Fig 1: Safety Connect System Wiring Diagram (1 Of 4)
G09110607Courtesy of © TOYOTA, LICENSE AGREEMENT TMS1002
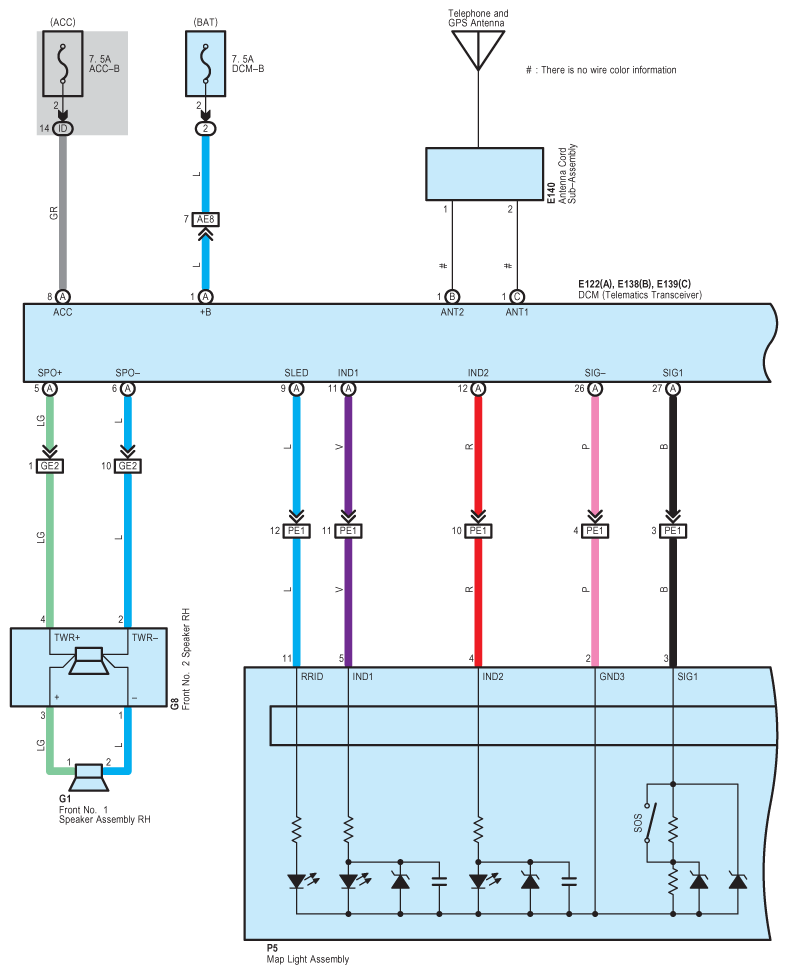
Fig 2: Safety Connect System Wiring Diagram (2 Of 4)
G09110608Courtesy of © TOYOTA, LICENSE AGREEMENT TMS1002
Fig 3: Safety Connect System Wiring Diagram (3 Of 4)
G09110609Courtesy of © TOYOTA, LICENSE AGREEMENT TMS1002
Fig 4: Safety Connect System Wiring Diagram (4 Of 4)
G09110610Courtesy of © TOYOTA, LICENSE AGREEMENT TMS1002