lemon-mirror:
Home >> Toyota >> 2016 >> 4Runner Trail >> Repair and Diagnosis >> Electrical >> Body Electrical >> OEM System Circuits >> Shift Lock >> System Diagrams

System Diagrams

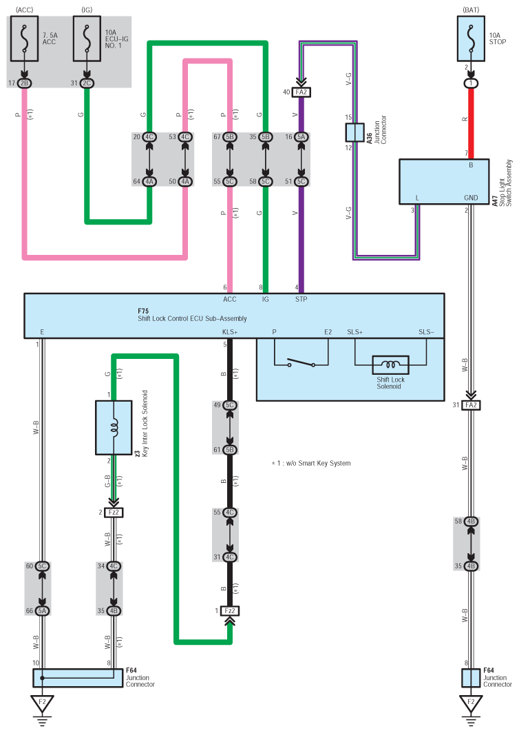
Fig 1: Shift Lock
G12198646Courtesy of © TOYOTA, LICENSE AGREEMENT TMS1002