lemon-mirror:
Home >> Toyota >> 2016 >> Prius Two >> Repair and Diagnosis >> Electrical >> Body Electrical >> OEM System Circuits >> Dynamic Radar Cruise Control >> System Diagrams

System Diagrams

Fig 1: Dynamic Radar Cruise Control (1 Of 12)
G12208135Courtesy of © TOYOTA, LICENSE AGREEMENT TMS1002
Fig 2: Dynamic Radar Cruise Control (2 Of 12)
G12208136Courtesy of © TOYOTA, LICENSE AGREEMENT TMS1002
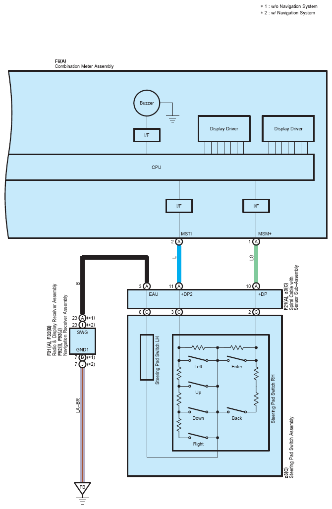
Fig 3: Dynamic Radar Cruise Control (3 Of 12)
G12208137Courtesy of © TOYOTA, LICENSE AGREEMENT TMS1002
Fig 4: Dynamic Radar Cruise Control (4 Of 12)
G12208138Courtesy of © TOYOTA, LICENSE AGREEMENT TMS1002
Fig 5: Dynamic Radar Cruise Control (5 Of 12)
G12208139Courtesy of © TOYOTA, LICENSE AGREEMENT TMS1002
Fig 6: Dynamic Radar Cruise Control (6 Of 12)
G12208140Courtesy of © TOYOTA, LICENSE AGREEMENT TMS1002
Fig 7: Dynamic Radar Cruise Control (7 Of 12)
G12208141Courtesy of © TOYOTA, LICENSE AGREEMENT TMS1002
Fig 8: Dynamic Radar Cruise Control (8 Of 12)
G12208142Courtesy of © TOYOTA, LICENSE AGREEMENT TMS1002
Fig 9: Dynamic Radar Cruise Control (9 Of 12)
G12208143Courtesy of © TOYOTA, LICENSE AGREEMENT TMS1002
Fig 10: Dynamic Radar Cruise Control (10 Of 12)
G12208144Courtesy of © TOYOTA, LICENSE AGREEMENT TMS1002
Fig 11: Dynamic Radar Cruise Control (11 Of 12)
G12208145Courtesy of © TOYOTA, LICENSE AGREEMENT TMS1002
Fig 12: Dynamic Radar Cruise Control (12 Of 12)
G12208146Courtesy of © TOYOTA, LICENSE AGREEMENT TMS1002