lemon-mirror:
Home >> Toyota >> 2016 >> Prius Two >> Repair and Diagnosis >> Electrical >> Body Electrical >> OEM System Circuits >> Grille Shutter >> System Diagrams

System Diagrams

Fig 1: Grille Shutter (1 Of 4)
G12208225Courtesy of © TOYOTA, LICENSE AGREEMENT TMS1002
Fig 2: Grille Shutter (2 Of 4)
G12208226Courtesy of © TOYOTA, LICENSE AGREEMENT TMS1002
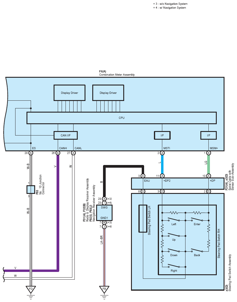
Fig 3: Grille Shutter (3 Of 4)
G12208227Courtesy of © TOYOTA, LICENSE AGREEMENT TMS1002
Fig 4: Grille Shutter (4 Of 4)
G12208228Courtesy of © TOYOTA, LICENSE AGREEMENT TMS1002