lemon-mirror:
Home >> Toyota >> 2016 >> Prius Two >> Repair and Diagnosis >> Electrical >> Body Electrical >> OEM System Circuits >> Power Source >> System Diagrams

System Diagrams

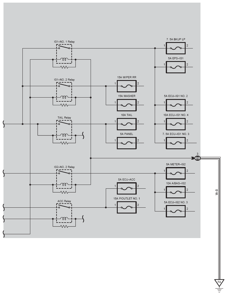
Fig 1: Power Source (1 Of 6)
G12208386Courtesy of © TOYOTA, LICENSE AGREEMENT TMS1002
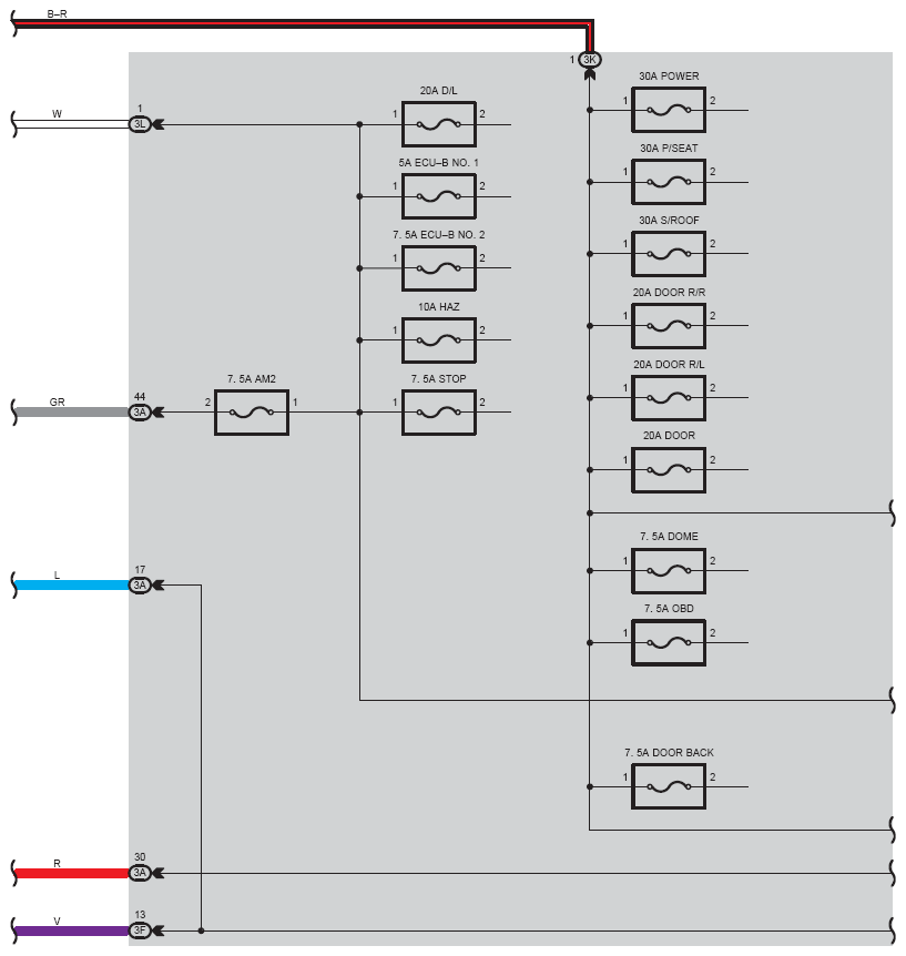
Fig 2: Power Source (2 Of 6)
G12208387Courtesy of © TOYOTA, LICENSE AGREEMENT TMS1002
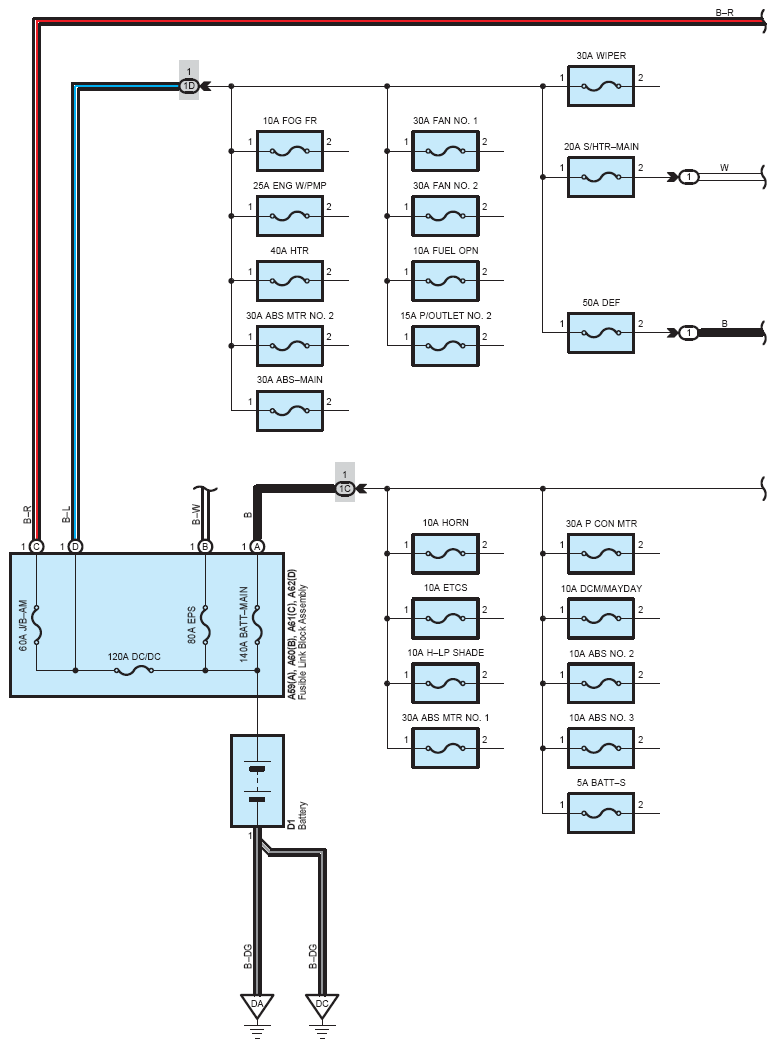
Fig 3: Power Source (3 Of 6)
G12208388Courtesy of © TOYOTA, LICENSE AGREEMENT TMS1002
Fig 4: Power Source (4 Of 6)
G12208389Courtesy of © TOYOTA, LICENSE AGREEMENT TMS1002
Fig 5: Power Source (5 Of 6)
G12208390Courtesy of © TOYOTA, LICENSE AGREEMENT TMS1002
Fig 6: Power Source (6 Of 6)
G12208391Courtesy of © TOYOTA, LICENSE AGREEMENT TMS1002