lemon-mirror:
Home >> Toyota >> 2016 >> Prius Two >> Repair and Diagnosis >> Electrical >> Body Electrical >> OEM System Circuits >> Remote Control Mirror >> System Diagrams

System Diagrams

Fig 1: Remote Control Mirror (1 Of 2)
G12208408Courtesy of © TOYOTA, LICENSE AGREEMENT TMS1002
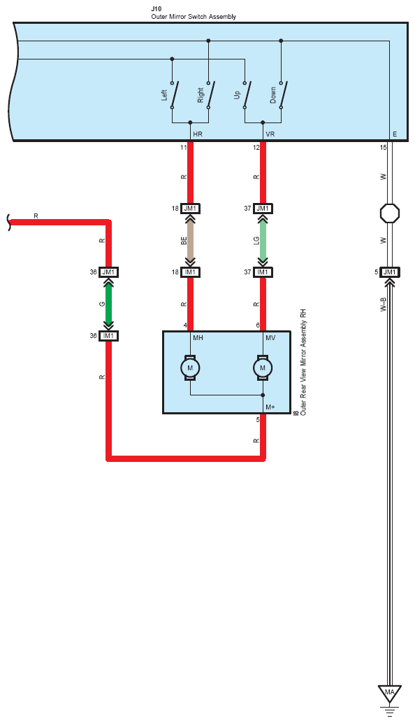
Fig 2: Remote Control Mirror (2 Of 2)
G12208409Courtesy of © TOYOTA, LICENSE AGREEMENT TMS1002