lemon-mirror:
Home >> Toyota >> 2016 >> Prius Two >> Repair and Diagnosis >> Electrical >> Body Electrical >> OEM System Circuits >> Stop Light >> System Diagrams

System Diagrams

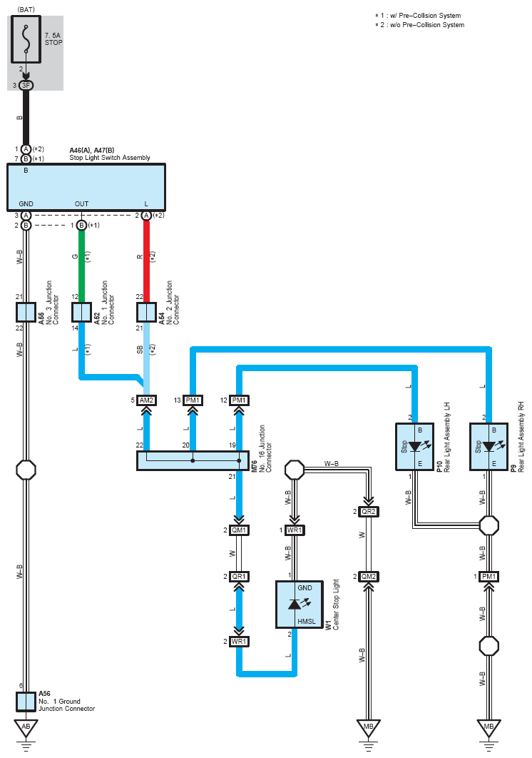
Fig 1: Stop Light
G12208473Courtesy of © TOYOTA, LICENSE AGREEMENT TMS1002