lemon-mirror:
Home >> Toyota >> 2016 >> Prius V Two >> Repair and Diagnosis >> Electrical >> Body Electrical >> OEM System Circuits >> Power Source >> System Diagrams

System Diagrams

Fig 1: Power Source (1 Of 7)
G12214543Courtesy of © TOYOTA, LICENSE AGREEMENT TMS1002
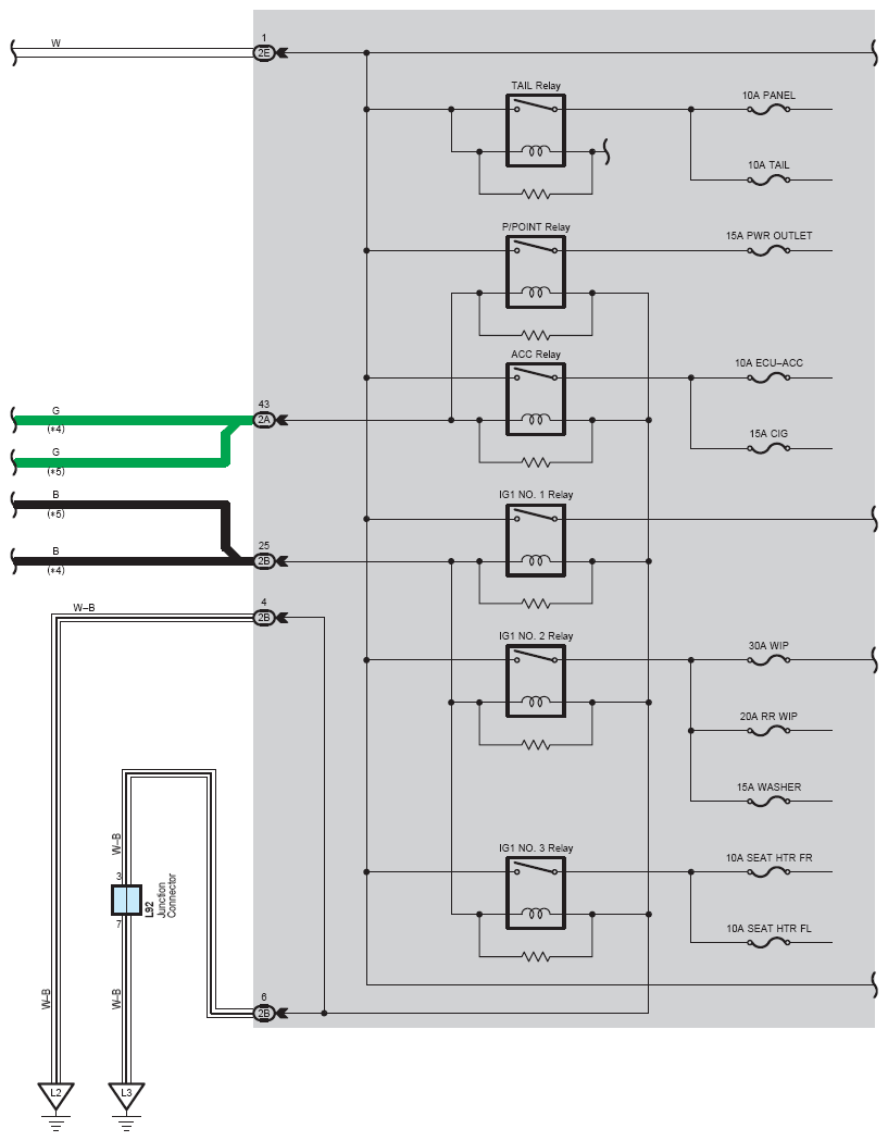
Fig 2: Power Source (2 Of 7)
G12214544Courtesy of © TOYOTA, LICENSE AGREEMENT TMS1002
Fig 3: Power Source (3 Of 7)
G12214545Courtesy of © TOYOTA, LICENSE AGREEMENT TMS1002
Fig 4: Power Source (4 Of 7)
G12214546Courtesy of © TOYOTA, LICENSE AGREEMENT TMS1002
Fig 5: Power Source (5 Of 7)
G12214547Courtesy of © TOYOTA, LICENSE AGREEMENT TMS1002
Fig 6: Power Source (6 Of 7)
G12214548Courtesy of © TOYOTA, LICENSE AGREEMENT TMS1002
Fig 7: Power Source (7 Of 7)
G12214549Courtesy of © TOYOTA, LICENSE AGREEMENT TMS1002