lemon-mirror:
Home >> Toyota >> 2016 >> Prius V Two >> Repair and Diagnosis >> Electrical >> Body Electrical >> OEM System Circuits >> Pre-Collision System >> System Diagrams

System Diagrams

Fig 1: Pre-Collision System (1 Of 7)
G12214530Courtesy of © TOYOTA, LICENSE AGREEMENT TMS1002
Fig 2: Pre-Collision System (2 Of 7)
G12214531Courtesy of © TOYOTA, LICENSE AGREEMENT TMS1002
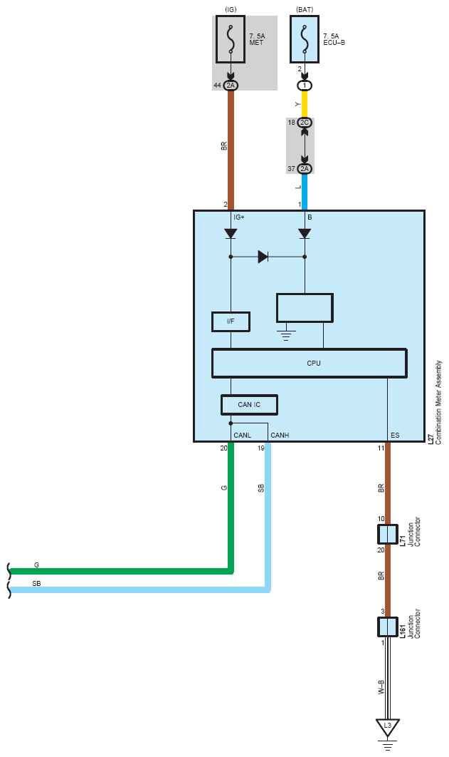
Fig 3: Pre-Collision System (3 Of 7)
G12214532Courtesy of © TOYOTA, LICENSE AGREEMENT TMS1002
Fig 4: Pre-Collision System (4 Of 7)
G12214533Courtesy of © TOYOTA, LICENSE AGREEMENT TMS1002
Fig 5: Pre-Collision System (5 Of 7)
G12214534Courtesy of © TOYOTA, LICENSE AGREEMENT TMS1002
Fig 6: Pre-Collision System (6 Of 7)
G12214535Courtesy of © TOYOTA, LICENSE AGREEMENT TMS1002
Fig 7: Pre-Collision System (7 Of 7)
G12214536Courtesy of © TOYOTA, LICENSE AGREEMENT TMS1002