lemon-mirror:
Home >> Toyota >> 2016 >> Prius V Two >> Repair and Diagnosis >> Electrical >> Body Electrical >> OEM System Circuits >> Remote Control Mirror >> System Diagrams

System Diagrams

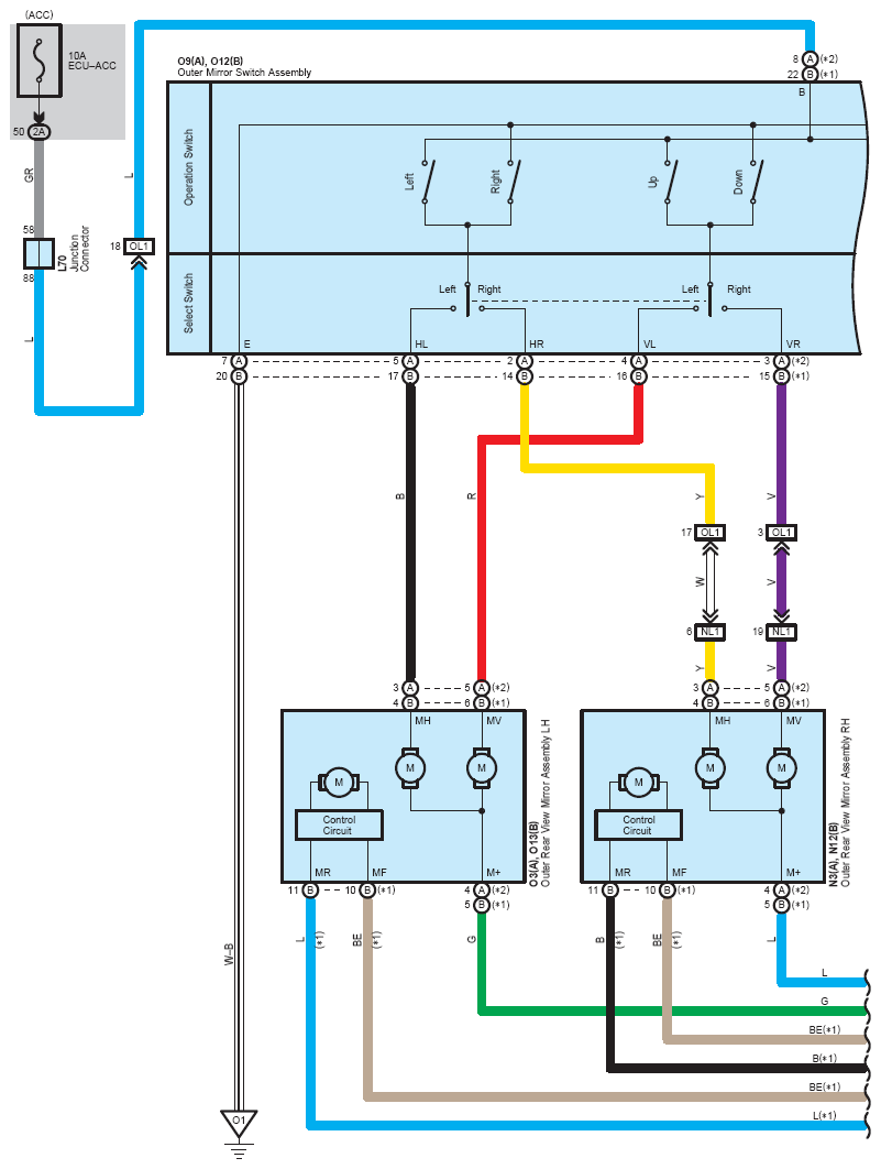
Fig 1: Remote Control Mirror (1 Of 2)
G12214568Courtesy of © TOYOTA, LICENSE AGREEMENT TMS1002
Fig 2: Remote Control Mirror (2 Of 2)
G12214569Courtesy of © TOYOTA, LICENSE AGREEMENT TMS1002