lemon-mirror:
Home >> Toyota >> 2017 >> 86 Base, Automatic Trans >> Repair and Diagnosis >> Electrical >> Body Electrical >> OEM System Circuits >> Automatic Light Control, Light Auto Turn Off System >> System Diagrams

System Diagrams

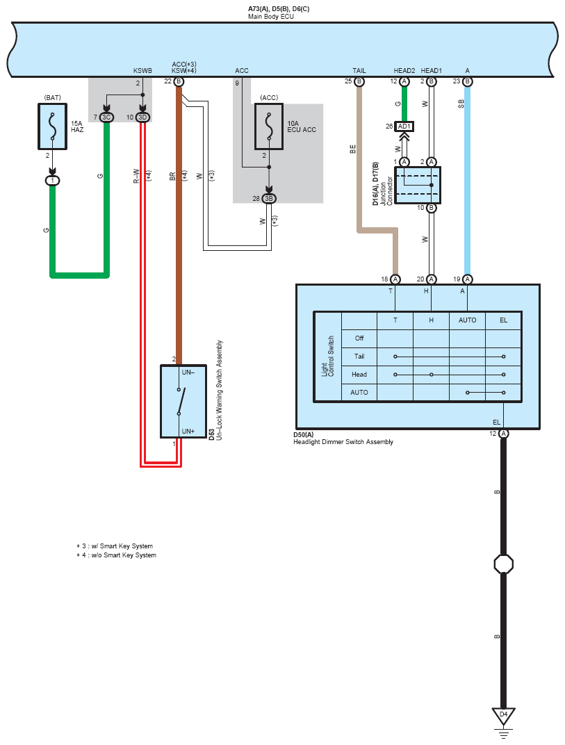
Fig 1: Automatic Light Control, Light Auto Turn Off System (1 Of 6)
G12191831Courtesy of © TOYOTA, LICENSE AGREEMENT TMS1002
Fig 2: Automatic Light Control, Light Auto Turn Off System (2 Of 6)
G12191832Courtesy of © TOYOTA, LICENSE AGREEMENT TMS1002
Fig 3: Automatic Light Control, Light Auto Turn Off System (3 Of 6)
G12191833Courtesy of © TOYOTA, LICENSE AGREEMENT TMS1002
Fig 4: Automatic Light Control, Light Auto Turn Off System (4 Of 6)
G12191834Courtesy of © TOYOTA, LICENSE AGREEMENT TMS1002
Fig 5: Automatic Light Control, Light Auto Turn Off System (5 Of 6)
G12191835Courtesy of © TOYOTA, LICENSE AGREEMENT TMS1002
Fig 6: Automatic Light Control, Light Auto Turn Off System (6 Of 6)
G12191836Courtesy of © TOYOTA, LICENSE AGREEMENT TMS1002