lemon-mirror:
Home >> Toyota >> 2017 >> 86 Base, Automatic Trans >> Repair and Diagnosis >> Electrical >> Body Electrical >> OEM System Circuits >> Charging >> System Diagrams

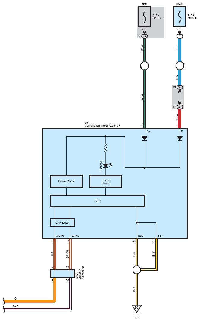
System Diagrams

Fig 1: Charging (1 Of 2)
G12191874Courtesy of © TOYOTA, LICENSE AGREEMENT TMS1002
Fig 2: Charging (2 Of 2)
G12191875Courtesy of © TOYOTA, LICENSE AGREEMENT TMS1002