lemon-mirror:
Home >> Toyota >> 2017 >> 86 Base, Automatic Trans >> Repair and Diagnosis >> Electrical >> Body Electrical >> OEM System Circuits >> Headlight Beam Level Control >> System Diagrams

System Diagrams

Fig 1: Headlight Beam Level Control (1 Of 7)
G12191996Courtesy of © TOYOTA, LICENSE AGREEMENT TMS1002
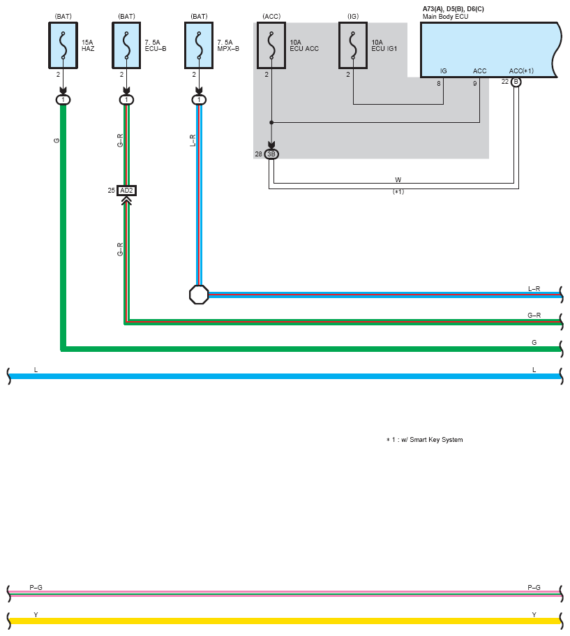
Fig 2: Headlight Beam Level Control (2 Of 7)
G12191997Courtesy of © TOYOTA, LICENSE AGREEMENT TMS1002
Fig 3: Headlight Beam Level Control (3 Of 7)
G12191998Courtesy of © TOYOTA, LICENSE AGREEMENT TMS1002
Fig 4: Headlight Beam Level Control (4 Of 7)
G12191999Courtesy of © TOYOTA, LICENSE AGREEMENT TMS1002
Fig 5: Headlight Beam Level Control (5 Of 7)
G12192000Courtesy of © TOYOTA, LICENSE AGREEMENT TMS1002
Fig 6: Headlight Beam Level Control (6 Of 7)
G12192001Courtesy of © TOYOTA, LICENSE AGREEMENT TMS1002
Fig 7: Headlight Beam Level Control (7 Of 7)
G12192002Courtesy of © TOYOTA, LICENSE AGREEMENT TMS1002