lemon-mirror:
Home >> Toyota >> 2017 >> 86 Base, Automatic Trans >> Repair and Diagnosis >> Electrical >> Body Electrical >> OEM System Circuits >> Power Source >> System Diagrams

System Diagrams

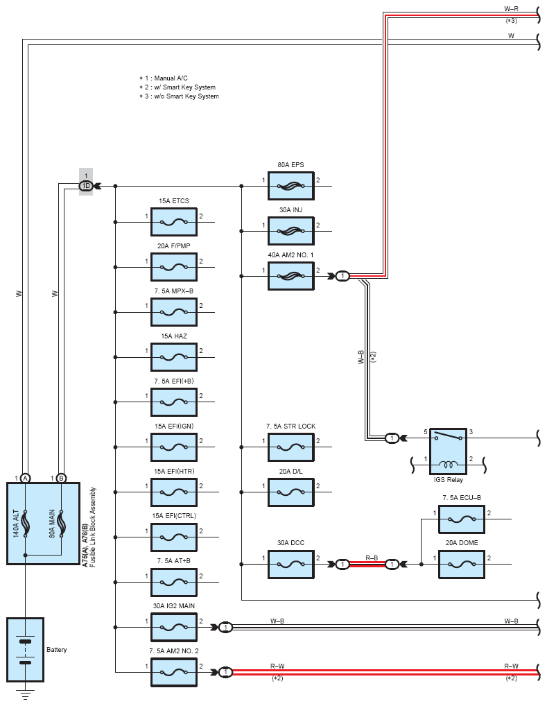
Fig 1: Power Source (1 Of 6)
G12192054Courtesy of © TOYOTA, LICENSE AGREEMENT TMS1002
Fig 2: Power Source (2 Of 6)
G12192055Courtesy of © TOYOTA, LICENSE AGREEMENT TMS1002
Fig 3: Power Source (3 Of 6)
G12192056Courtesy of © TOYOTA, LICENSE AGREEMENT TMS1002
Fig 4: Power Source (4 Of 6)
G12192057Courtesy of © TOYOTA, LICENSE AGREEMENT TMS1002
Fig 5: Power Source (5 Of 6)
G12192058Courtesy of © TOYOTA, LICENSE AGREEMENT TMS1002
Fig 6: Power Source (6 Of 6)
G12192059Courtesy of © TOYOTA, LICENSE AGREEMENT TMS1002