lemon-mirror:
Home >> Toyota >> 2017 >> 86 Base, Automatic Trans >> Repair and Diagnosis >> Electrical >> Body Electrical >> OEM System Circuits >> Stop Light >> System Diagrams

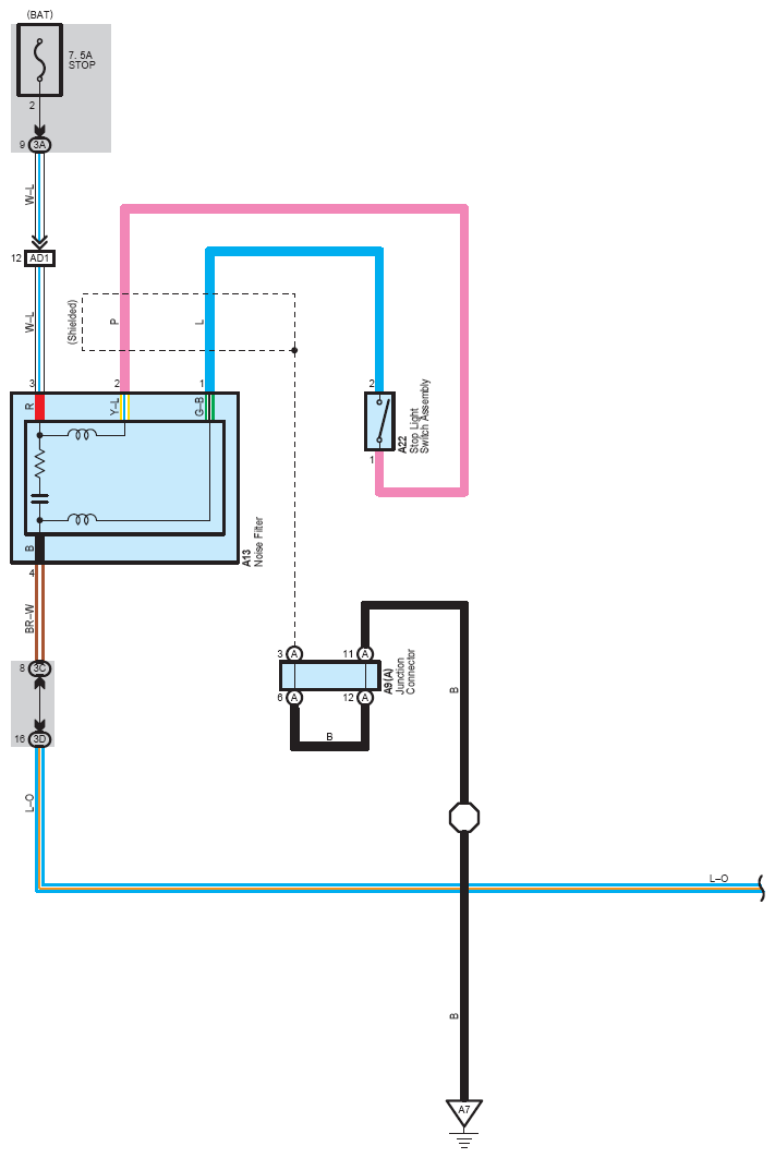
System Diagrams

Fig 1: Stop Light (1 Of 2)
G12192085Courtesy of © TOYOTA, LICENSE AGREEMENT TMS1002
Fig 2: Stop Light (2 Of 2)
G12192086Courtesy of © TOYOTA, LICENSE AGREEMENT TMS1002