lemon-mirror:
Home >> Toyota >> 2017 >> Mirai >> Repair and Diagnosis >> Electrical >> Body Electrical >> OEM System Circuits >> Remote Control Mirror >> System Diagrams

System Diagrams

Fig 1: Remote Control Mirror (1 Of 6)
G12204420Courtesy of © TOYOTA, LICENSE AGREEMENT TMS1002
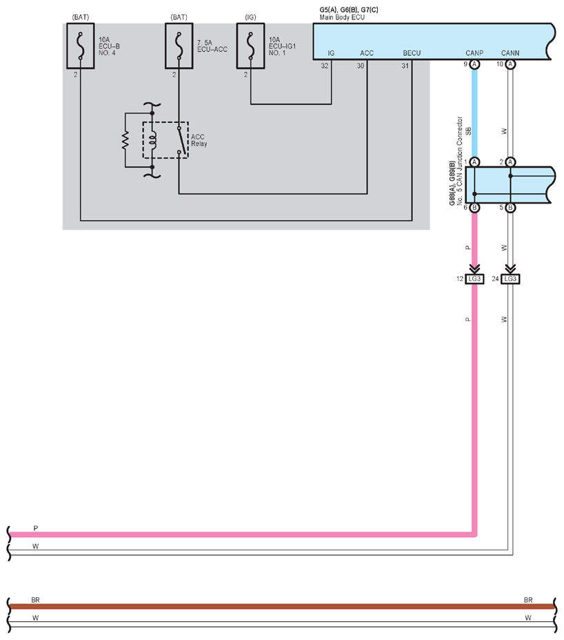
Fig 2: Remote Control Mirror (2 Of 6)
G12204421Courtesy of © TOYOTA, LICENSE AGREEMENT TMS1002
Fig 3: Remote Control Mirror (3 Of 6)
G12204422Courtesy of © TOYOTA, LICENSE AGREEMENT TMS1002
Fig 4: Remote Control Mirror (4 Of 6)
G12204423Courtesy of © TOYOTA, LICENSE AGREEMENT TMS1002
Fig 5: Remote Control Mirror (5 Of 6)
G12204424Courtesy of © TOYOTA, LICENSE AGREEMENT TMS1002
Fig 6: Remote Control Mirror (6 Of 6)
G12204425Courtesy of © TOYOTA, LICENSE AGREEMENT TMS1002