lemon-mirror:
Home >> Toyota >> 2017 >> Prius C Two >> Repair and Diagnosis >> Electrical >> Body Electrical >> OEM System Circuits >> Vehicle Proximity Notification System >> System Diagrams

System Diagrams

Fig 1: Vehicle Proximity Notification System (1 Of 4)
G12211454Courtesy of © TOYOTA, LICENSE AGREEMENT TMS1002
Fig 2: Vehicle Proximity Notification System (2 Of 4)
G12211455Courtesy of © TOYOTA, LICENSE AGREEMENT TMS1002
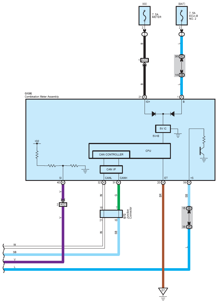
Fig 3: Vehicle Proximity Notification System (3 Of 4)
G12211456Courtesy of © TOYOTA, LICENSE AGREEMENT TMS1002
Fig 4: Vehicle Proximity Notification System (4 Of 4)
G12211457Courtesy of © TOYOTA, LICENSE AGREEMENT TMS1002