lemon-mirror:
Home >> Toyota >> 2017 >> Prius Prime Advanced >> Repair and Diagnosis >> Electrical >> Body Electrical >> OEM System Circuits >> Power Window >> System Diagrams

System Diagrams

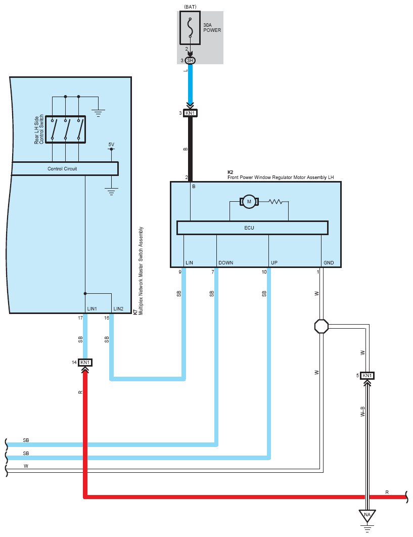
Fig 1: Power Window (1 Of 7)
G12210657Courtesy of © TOYOTA, LICENSE AGREEMENT TMS1002
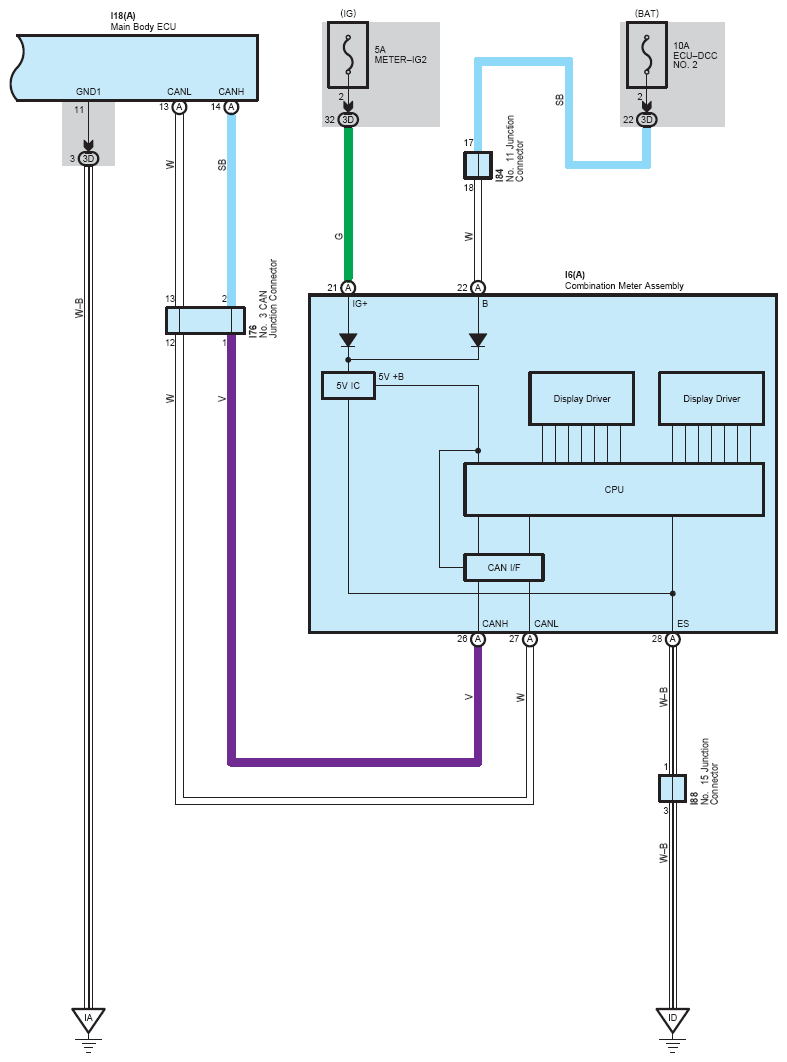
Fig 2: Power Window (2 Of 7)
G12210658Courtesy of © TOYOTA, LICENSE AGREEMENT TMS1002
Fig 3: Power Window (3 Of 7)
G12210659Courtesy of © TOYOTA, LICENSE AGREEMENT TMS1002
Fig 4: Power Window (4 Of 7)
G12210660Courtesy of © TOYOTA, LICENSE AGREEMENT TMS1002
Fig 5: Power Window (5 Of 7)
G12210661Courtesy of © TOYOTA, LICENSE AGREEMENT TMS1002
Fig 6: Power Window (6 Of 7)
G12210662Courtesy of © TOYOTA, LICENSE AGREEMENT TMS1002
Fig 7: Power Window (7 Of 7)
G12210663Courtesy of © TOYOTA, LICENSE AGREEMENT TMS1002